OEM-плата I3800 с двумя антеннами RTK GNSS/INS | RTK 1 см | Курс 0,2° | 100 Гц | UART/CAN
Аппаратное обеспечение
- Высокопроизводительная матрица инерциальных измерительных блоков (IMU)
- Заводская калибровка с температурной компенсацией в диапазоне от -40 до 85℃, калибровка масштабного коэффициента, поперечной оси и нулевого смещения.
- Нестабильность смещения нулевого положения гироскопа достигает 2,5°/ч.
- Нестабильность нулевого смещения акселерометра достигает 30 мкг.
- Множество интерфейсов, таких как UART (TTL)/CAN
- Встроенный датчик температуры
- Компактный корпус для поверхностного монтажа, простая интеграция.
- Сертификация RoHS и CE
- Полномасштабная, полночастотная система RTK-GNSS, двухантенное пеленгование
Программное обеспечение
- Адаптивный расширенный алгоритм слияния Калмана, обеспечивающий выходную частоту до 100 Гц с низкой задержкой.
- Двухантенная направленная антенна с базовым углом 0,2° и длиной 1 м.
- Обладает превосходным подавляющим эффектом на линейное ускорение.
- Точность синхронизации 20 нс
- Позиционирование по одной точке с точностью до 1,5 метров.
- Точность позиционирования RTK составляет 1 см.
- Точность измерения скорости: 0,03 м/с
- Время холодного запуска < 30-е
- Время горячего старта < 2с
- Поддерживает множество протоколов, таких как бинарный, NMEA, J1939 и другие.
— Подробные инструкции по настройке пользователем
- Многофункциональный графический интерфейс пользователя, простой в использовании.
- Поддерживает множество подпрограмм, таких как ROS и C.
Номер детали, :
I3800Минимальный объем заказа (MOQ) :
1Серия продукции и параметры
| Параметры | Описание | Примечание | |
| канал | Канал 1408 | ||
| созвездие | BDS/GPS/ГЛОНАСС/Галилео/QZSS | ||
| точка частоты | BDS B1I/B2I/B3I | ||
| GPS L1 C/A/L2P(Y)/L2C/L5 | |||
| Галилео E1/E5a/E5b | |||
| ГЛОНАСС L1/L2 QZSS L1/L2/L5 | |||
| холодный запуск | <30-е | ||
| теплый старт | <5s | 1 | |
| точность позиционирования | Одноточечный (среднеквадратичный) | Уровень: 1,5 м | 2,3 |
| Высота над уровнем моря: 2,5 м | |||
| DGPS(RMS) | Уровень: 0,4 м + 1 ppm | ||
| Высота над уровнем моря: 0,8 м + 1 ppm | |||
| RTK (RMS) | Уровень: 0,8 см + 1 ppm | ||
| Высота над уровнем моря: 1,5 см + 1 ppm | |||
| Точность определения направления (среднеквадратичная ошибка) | базовая линия 0,2°/1 м | ||
| Точность синхронизации (среднеквадратичная) | 20 нс | ||
| Точность скорости (среднеквадратичная) | 0,03 м/с | 4 | |
| скорость обновления данных | 20 Гц | ||
| максимальная скорость | 500 м/с | ||
| максимальная высота | 50000 м | ||
Производственный процесс
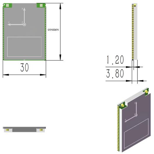
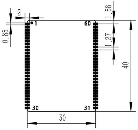
Размеры изделия

Сценарии применения



Часто задаваемые вопросы
Xml политика конфиденциальности блог Карта сайта
Авторские права @ Микро-Магия Инк Все права защищены.
ПОДДЕРЖИВАЕТСЯ СЕТЬ