Инерциальный измерительный модуль U503 MEMS представляет собой высокоточный и высокопроизводительный шестиосевой инерциальный измерительный модуль MEMS, который может широко использоваться в областях навигации, управления и измерений, представленных транспортными средствами, судами и дронами. В серии инерциальных измерительных модулей U503 высокопроизводительные гироскопы MEMS и акселерометры объединены в независимую конструкцию. Модуль имеет герметичную конструкцию и внутреннюю амортизирующую обработку, что соответствует требованиям высокоточных и динамичных навигационных приложений в суровых условиях.
Номер детали, :
U503Минимальный объем заказа (MOQ) :
1Серия продукции и параметры
| Параметры | Технические индикаторы | |
| U503-A | U503-B | |
| Гироскоп | ||
| Диапазон измерения (°/с) | ±300 | ±300 |
| Полное температурное смещение нуля (°/ч, 3σ) | ≤2 | ≤2 |
| Стабильность при нулевом смещении (°/ч, 10 с) | ≤0,15 | ≤0,3 |
| Нестабильность нулевого смещения (°/ч, allan, typ) | ≤0,03 | ≤0,03 |
| Повторяемость при нулевом смещении (°/ч, 1σ) | ≤0,3 | ≤0,3 |
| Случайное блуждание по углам (°/√h) | ≤0,005 | ≤0,02 |
| Нелинейность масштабного коэффициента (ppm) | ≤100 | ≤100 |
| Перекрестная связь (рад) | ≤0,001 | ≤0,001 |
| Полоса пропускания (Гц) | ≥100 | ≥200 |
| Акселерометр | ||
| Диапазон измерения (г) | ±30 | ±30 |
| Полное температурное нулевое смещение (мг) | ≤0,5 | ≤2 |
| Стабильность при нулевом смещении (мкг, 10 с) | ≤10 | ≤50 |
| Нестабильность при нулевом смещении (мкг, аллан, тип) | ≤3 | ≤30 |
| Повторяемость при нулевом смещении (мкг) | ≤10 | ≤50 |
| Случайное блуждание по скорости (м/с/√ч) | ≤0,01 | ≤0,03 |
| Нелинейность масштабного коэффициента (ppm, ±1g) | ≤100 | ≤100 |
| Перекрестная связь (рад) | ≤0,001 | ≤0,001 |
| Полоса пропускания (Гц) | ≥200 Гц | ≥200 Гц |
| Электрический/механический интерфейс | ||
| Источник питания (В) | 5~12 | |
| Мощность в установившемся режиме (Вт) | ≤2 | |
| Время запуска(ов) | ≤2 | |
| интерфейс связи | RS-422 | |
| Скорость передачи данных (Гц, макс.) | 2000 | |
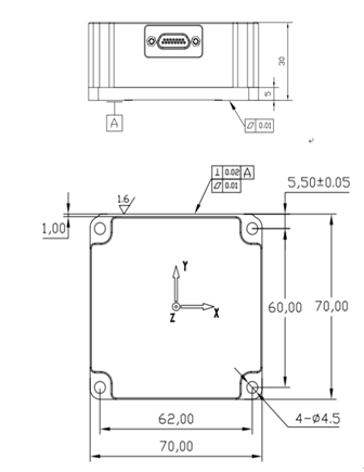
| Размер (мм×мм×мм) | 70×70×30 | |
| Вес (г) | 220±10 | |
| Операционная среда | ||
| Рабочая температура (℃) | -50~+80 (или начать с -50 и работать при -55) | |
| Температура хранения (°C) | -55~85 | |
| Вибрация (г, среднеквадратичное значение) | 13 | |
| Шок (г) | 1000 | |
Производственный процесс
Размеры изделия

Сценарии применения



Часто задаваемые вопросы
Xml политика конфиденциальности блог Карта сайта
Авторское право
@ Микро-Магия Инк Все права защищены.
ПОДДЕРЖИВАЕМАЯ СЕТЬ