Интегрированная навигационная система MEMS GNSS INS для позиционирования и измерения ориентации беспилотных летательных аппаратов (БПЛА).
Микроинтегрированная навигационная система I3200 представляет собой компактную и экономичную интегрированную навигационную систему на основе MEMS-технологии, ориентированную в первую очередь на области навигации, управления и измерений, представленные мобильной связью и беспилотными летательными аппаратами. Система обеспечивает высокую степень интеграции MEMS-датчиков и полночастотных микросхем спутниковых приемников в компактном корпусе, позволяя осуществлять позиционирование и измерение ориентации в пространстве.
Номер детали, :
I3200Минимальный объем заказа (MOQ) :
1Серия продукции и параметры
| Параметр | Технические индикаторы |
| Гироскоп | |
| Диапазон (°/с) | ±300 |
| Полнотемпературное нулевое смещение (°/ч, 3σ) | ≤360 |
| Стабильность при нулевом смещении (°/ч, 10 с) | ≤10 |
| Нестабильность нулевого смещения (°/ч, аллан, тип) | ≤3 |
| Повторяемость при нулевом смещении (°/ч) | ≤10 |
| Случайное блуждание по углу (°/√h) | ≤0,3 |
| Нелинейность масштабного коэффициента (ppm) | ≤100 |
| Ось перекрестной связи (рад) | ≤0,001 |
| Полоса пропускания (Гц) | ≥100 |
| Акселерометр | |
| Диапазон (г) | ±16 |
| Полнотемпературное нулевое смещение (мг, 3σ) | ≤5 |
| Стабильность при нулевом смещении (мкг, 10 с) | ≤300 |
| Нестабильность нулевого смещения (мкг, аллан, тип) | ≤50 |
| Повторяемость нулевого смещения (ug) | ≤300 |
| Случайное блуждание скорости (м/с/√ч) | ≤50 |
| Нелинейность масштабного коэффициента (ppm, ±1g) | ≤300 |
| Ось перекрестной связи (рад) | ≤0,001 |
| Полоса пропускания (Гц) | ≥100 |
| Точность навигации | |
| Совокупное горизонтальное положение (м, 1σ) | 3 м (в одной точке) 0,02+1 ppm (RTK) |
| Совокупное положение на небе (м, 1σ) | 5 м (в одной точке) 0,03+1 ppm (RTK) |
| Суммарная горизонтальная скорость (м/с, 1σ) | 0.1 |
| Суммарная скорость движения в направлении неба (м/с, 1σ) | 0,15 |
| Комбинированный курс (°, 1σ, в реальном времени) | 0,2 (1 м базовая линия с двумя антеннами) 0,5 (одна антенна, динамический режим) |
| Совокупное горизонтальное положение (°, 1σ, в реальном времени) | 0,1° (двухантенная) 0,2° (одна антенна) |
| Электрический/механический интерфейс | |
| Источник питания (В) | 5V |
| Мощность в установившемся режиме (Вт) | ≤0,5 |
| Время запуска (с) | ≤3 |
| интерфейс связи | УРАТ |
| Частота обновления (Гц) | 100 |
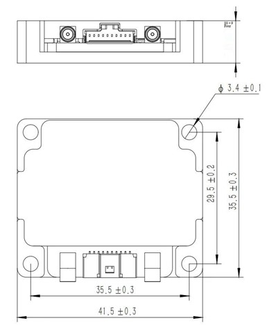
| Размер (мм×мм×мм) | 41,5×35,5×9,5 |
| Вес (г) | <30 |
| Операционная среда | |
| Рабочая температура (℃) | -40~+80 |
| Температура хранения (℃) | -55~+85 |
| Вибрация (г, среднеквадратичное значение) | 20~2000 Гц, 6.06 |
| Удар (г) | 1000 г/1 мс |
| Надежность | |
| MTBF(h) | 10000 |
Производственный процесс
Размеры изделия

Сценарии применения



Часто задаваемые вопросы
В1. Что такое I3200?
I3200 — это высокопроизводительная интегрированная инерциальная навигационная система на основе MEMS-технологии. Она сочетает в себе инерциальные MEMS-датчики и полночастотный GNSS-приемник в компактном корпусе и подходит для навигационных, контрольных и измерительных задач.
В2. Каковы основные характеристики I3200?
Модель I3200 отличается высокой производительностью, компактными размерами, малым весом, сверхнизким энергопотреблением, компенсацией калибровки при полной температуре, опциональным адаптивным алгоритмом ориентации, компенсацией плеча рычага, возможностью онлайн-обновления программного обеспечения, функцией самокоррекции ориентации при отсутствии сигнала GNSS и поддержкой интеграции с RTK.
В3. Для каких областей применения подходит I3200?
Устройство I3200 подходит для связи в движении, определения местоположения и ориентации беспилотных летательных аппаратов, транспортных средств, судов и лодок, управления ориентацией и других приложений для беспилотных систем.
Xml политика конфиденциальности блог Карта сайта
Авторские права @ Микро-Магия Инк Все права защищены.
ПОДДЕРЖИВАЕТСЯ СЕТЬ