Интегрированная навигационная система MEMS GNSS INS для беспилотных летательных аппаратов (БПЛА) и морских судов.
Интегрированная навигационная система I3300 на основе MEMS-технологии представляет собой высоконадежную и экономичную инерциальную навигационную систему MEMS, которая может широко использоваться в областях навигации, управления и измерений, представленных транспортными средствами, судами и беспилотными летательными аппаратами. Изделие предлагает различные режимы конфигурации и, в частности, включает высокоточный гироскоп по оси Z для обеспечения точности измерения курса в течение длительных периодов времени.
Номер детали, :
I3300Минимальный объем заказа (MOQ) :
1Серия продукции и параметры
| Параметр | Технические индикаторы |
| Гироскоп | |
| Диапазон (°/с) | ±500 |
| Полнотемпературное нулевое смещение (°/ч, 3σ) | ≤360 (X, Y), ≤60 (Z) |
| Стабильность при нулевом смещении (°/ч, 10 с) | ≤10 (XY), ≤5 (Z) |
| Нестабильность нулевого смещения (°/ч, аллан, тип) | ≤2 (XY), ≤0,5 (Z) |
| Повторяемость при нулевом смещении (°/ч) | ≤10 (XY), ≤5 (Z) |
| Случайное блуждание по углу (°/√h) | ≤0,25 |
| Нелинейность масштабного коэффициента (ppm) | ≤100 |
| Ось перекрестной связи (рад) | ≤0,001 |
| Полоса пропускания (Гц) | ≥100 |
| Акселерометр | |
| Диапазон (г) | ±16 |
| Полнотемпературное нулевое смещение (мг, 3σ) | ≤5 |
| Стабильность при нулевом смещении (мкг, 10 с) | ≤100 |
| Нестабильность нулевого смещения (мкг, аллан, тип) | ≤50 |
| Повторяемость нулевого смещения (ug) | ≤100 |
| Скорость случайного блуждания (мм/с/√ч) | ≤40 |
| Нелинейность масштабного коэффициента (ppm, ±1g) | ≤300 |
| Ось перекрестной связи (рад) | 0,001 |
| Полоса пропускания (Гц) | ≥100 |
| Интегрированная точность навигации | |
| Совокупное горизонтальное положение (м, 1σ) | 3 м (одна точка), 0,02+1 ppm (RTK) |
| Совокупное положение на небе (м, 1σ) | 5 м (одна точка), 0,03+1 ppm (RTK) |
| Суммарная горизонтальная скорость (м/с, 1σ) | 0.1 |
| Суммарная зенитная скорость (м/с, 1σ) | 0,15 |
| Комбинированный курс (°, 1σ, в реальном времени) | 0,15 (двухантенная система с базой 1 м), 0,5 (одноантенная система, динамическая) |
| Совокупное горизонтальное положение (°, 1σ, в реальном времени) | 0,05° (двойная антенна), 0,1° (одиночная антенна) |
| Точность чисто инерциальной навигации | |
| Горизонтальное положение (°, 1σ, в реальном времени) | 0,05° (статический), 0,5° (динамический) |
| Направление (°, 1σ, в реальном времени) | 0,5° (динамический) |
| Точность измерения глубины (см) | 5 |
| Интегрированная точность инерциального/одометрического датчика | ≤0,001D (60 с) |
| Электрический/механический интерфейс | |
| Источник питания (В) | 9~36 |
| Мощность в установившемся режиме (Вт) | ≤3 |
| Время запуска (с) | ≤2 |
| Интерфейс связи | 1 канал RS-422, 1 канал RS-232, 1 канал CAN |
| Частота обновления (Гц) | 200 (с возможностью индивидуальной настройки) |
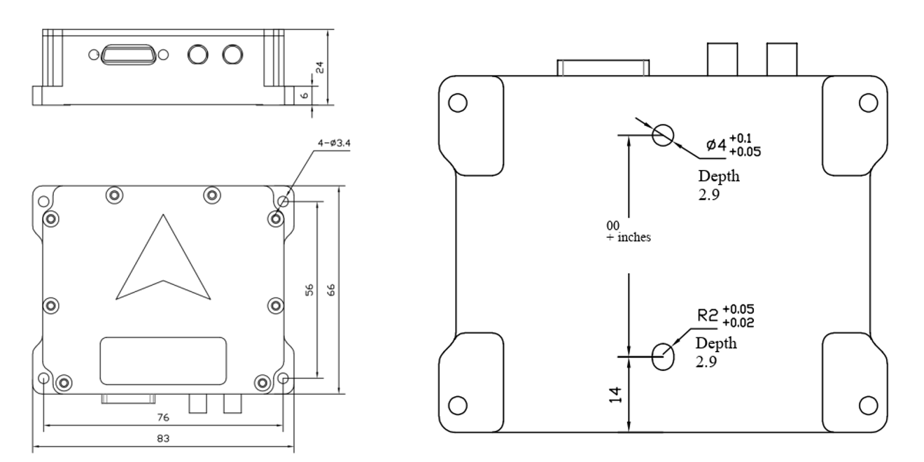
| Размер (мм×мм×мм) | 83×66×24 |
| Вес (г) | 160±20 (основной корпус) |
| Операционная среда | |
| Рабочая температура (℃) | -40~+80 |
| Температура хранения (℃) | -55~+85 |
| Вибрация (г, среднеквадратичное значение) | 20~2000 Гц, 4.08 |
| Удар (г) | 1000 г/1 мс |
Производственный процесс
Размеры изделия

Сценарии применения



Часто задаваемые вопросы
В1. Что такое I3300?
I3300 — это высокопроизводительная интегрированная инерциальная навигационная система на основе MEMS-технологии, предназначенная для навигации, управления и измерений в транспортных средствах, судах, беспилотных летательных аппаратах и других платформах. Она отличается высокой надежностью и экономичностью.
В2. Каковы основные характеристики I3300?
I3300 предлагает высокую производительность, компактные размеры, малый вес, поддержку GNSS на всех частотах, богатый набор интерфейсов, высокоточный гироскоп по оси рыскания, сверхнизкое энергопотребление, полную температурную калибровку с компенсацией, онлайн-обновление программного обеспечения, компенсацию плеча рычага, самокоррекцию при отсутствии GNSS, интеграцию с RTK и алгоритмы ограничения нулевой скорости/ограничения движения транспортного средства.
В3. Для каких областей применения подходит I3300?
Система I3300 подходит для использования в дронах, транспортных средствах, кораблях, лодках, для геодезических и картографических работ, в качестве стационарных платформ, подводных аппаратов, для связи в движении, интеллектуального вождения и управления ракетами.
Xml политика конфиденциальности блог Карта сайта
Авторские права @ Микро-Магия Инк Все права защищены.
ПОДДЕРЖИВАЕТСЯ СЕТЬ