Инерциальный измерительный блок Mems, подходящий для работы в динамических условиях.
Инерциальный измерительный модуль U5000 MEMS представляет собой высоконадежный и экономичный шестиосевой MEMS-модуль. модуль инерциальных измеренийЭта технология широко применяется в областях навигации, управления и измерений, представленных транспортными средствами, судами и дронами. Серия инерциальных измерительных модулей U5000 объединяет высокопроизводительные MEMS-гироскопы и MEMS-акселерометры в независимой структуре. Выбранные для системы гироскопы и акселерометры представляют собой передовые инерциальные устройства на основе MEMS-технологии. Трехосевые MEMS-гироскопы определяют угловое движение несущей, а трехосевые MEMS-акселерометры — линейное ускорение несущей. Система внутренне компенсирует нулевое положение, масштабный коэффициент, неортогональную ошибку и связанные с ускорением составляющие по всем температурным параметрам, поддерживая высокую точность измерений в течение длительного периода времени.
Инерциальный измерительный модуль серии U5000 может быть сконфигурирован с различным аппаратным и программным обеспечением в соответствии с потребностями пользователя.
Номер детали, :
U5000Минимальный объем заказа (MOQ) :
1Серия продукции и параметры
| Параметры | Технические индикаторы |
| Гироскоп | |
| Диапазон измерения (°/с) | ±500 |
| Полное температурное смещение нуля (°/ч, 3σ) | ≤30 |
| Стабильность нулевого смещения (°/ч, 10 с) | ≤2 |
| Нестабильность нулевого смещения (°/ч, allan, typ) | ≤0,1 |
| Повторяемость при нулевом смещении (°/ч) | ≤1 |
| Случайное блуждание по углу (°/√h) | ≤0,1 |
| Нелинейность масштабного коэффициента (ppm) | ≤100 |
| Перекрестная связь (рад) | ≤0,001 |
| Полоса пропускания (Гц) | ≥200 Гц |
| Акселерометр | |
| Диапазон измерения (г) | ±30 |
| Полное температурное нулевое смещение (mg,3σ) | ≤2 |
| Стабильность при нулевом смещении (мкг, 10 с) | ≤50 |
| Нестабильность при нулевом смещении (мкг, аллан, тип) | ≤30 |
| Повторяемость при нулевом смещении (мкг) | ≤50 |
| Скорость случайного блуждания (м/с/√ч) | ≤0,03 |
| Нелинейность масштабного коэффициента (ppm, ±1g) | ≤100 |
| Перекрестная связь (рад) | ≤0,001 |
| Полоса пропускания (Гц) | ≥200 Гц |
| Физические характеристики | |
| Источник питания (В) | 5~12 |
| Мощность в установившемся режиме (Вт) | ≤2 |
| Время запуска(ов) | ≤2 |
| Частота обновления данных (Гц, макс.) | 2000 |
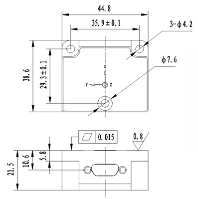
| Размеры (мм × мм × мм) | 44,8×38,6×21,5 |
| Вес (г) | 52±5 |
| Операционная среда | |
| Рабочая температура (℃) | -40~80 |
| Температура хранения (°C) | -55~85 |
| Вибрация (г, среднеквадратичное значение) | 20~2000 Гц, 6.06 |
| Шок(г) | 500/1 мс |
Производственный процесс
Размеры изделия


Сценарии применения



Часто задаваемые вопросы
Xml политика конфиденциальности блог Карта сайта
Авторское право
@ Микро-Магия Инк Все права защищены.
ПОДДЕРЖИВАЕМАЯ СЕТЬ