Высокоточный MEMS IMU-модуль U16495, 9-осевой (гироскоп/акселерометр/магнитометр), SPI, совместим с ADIS16495.
U16495 MEMS — это компактный и высокоточный 9-осевой инерциальный измерительный блок. Он подходит для точной навигации, управления и динамических измерений несущих элементов. Инерциальный измерительный модуль серии U16495 объединяет в своей структуре MEMS-гироскопы, MEMS-акселерометры и MEMS-магнитометры. Выбранные в системе гироскоп, акселерометр и MEMS-магнитометр представляют собой передовые инерциальные устройства на основе MEMS-технологий, отличающиеся высокой надежностью и прочностью. Они позволяют точно измерять угловую скорость, ускорение и магнитные характеристики движущихся несущих элементов в сложных условиях.
Номер детали, :
U16495Минимальный объем заказа (MOQ) :
1Серия продукции и параметры
| Параметр | Условия испытаний | Мин | Тип | Макс | Единица | |
| Гироскоп | Диапазон | ±350 | ±500 | °/с | ||
| Полнотемпературное нулевое смещение | 1сигма | ±20 | 60 | °/ч | ||
| Стабильность при нулевом смещении | 10-е | 3 | 5 | °/ч | ||
| Нестабильность нулевого смещения | Аллан | 0.3 | 0,5 | °/ч | ||
| Повторяемость при нулевом смещении | 1 | 5 | °/ч | |||
| Случайное блуждание под углом | 0.1 | 0.2 | °/√ч | |||
| Нелинейность масштабного коэффициента | ±100 | ppm | ||||
| Перекрестная связь | ±0,001 | рад | ||||
| Пропускная способность | 200 | Hz | ||||
| Акселерометр | Диапазон | ±20 | g | |||
| Полнотемпературное нулевое смещение | 1сигма | ±1 | ±3 | mg | ||
| Стабильность при нулевом смещении | 10-е | 0,05 | 0.1 | mg | ||
| Нестабильность нулевого смещения | Аллан | 0,01 | 0,03 | mg | ||
| Повторяемость при нулевом смещении | 0,05 | 0.1 | mg | |||
| Скорость случайного блуждания | 0,03 | м/с/√ч | ||||
| Нелинейность масштабного коэффициента | ±1 г | ±200 | ±200 | ppm | ||
| Перекрестная связь | ±0,001 | рад | ||||
| Пропускная способность | 200 | Hz | ||||
| Магнитометр | Диапазон | ±8 | Gs | |||
| Разрешение | 200 | мкГс | ||||
| Плотность шума | 50 | мкГс | ||||
| Пропускная способность | 200 | Hz | ||||
| Интерфейс связи | СПИ | 25 | МГц | |||
| UART | 9.6 | 460.8 | 921.6 | кбит/с | ||
| Электрические характеристики | Рабочее напряжение | 3 | 3.3 | 3.6 | V | |
| Потребление электроэнергии | 0,5 | W | ||||
| Рябь | от пика до пика | 100 | mV | |||
| Время запуска | 2 | s | ||||
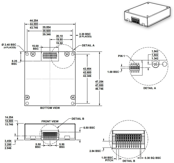
| Структурные характеристики | Размер | 47,0 × 44,0 × 14,0 | mm | |||
| Масса | 50 | g | ||||
| Операционная среда | Рабочая температура | -40 | 80 | ℃ | ||
| Температура хранения | -55 | 85 | ℃ | |||
| вибрация | 10-2000 Гц, 6,06 г | |||||
| Шок | 30 г, 11 мс | |||||
| Перегрузка | Полусинусоидальная волна | 1000 г | ||||
| Надежность | MTBF | 20000 | h | |||
| Непрерывное рабочее время | 120 | h | ||||
| Примечание: Типичные значения представляют собой статистические значения 1σ для нескольких наборов показателей тестирования продукции. | ||||||
Производственный процесс
Размеры изделия

Сценарии применения
От −40 °C до +80 °C, U16495Полная температурная калибровка с компенсацией (со встроенным датчиком температуры) позволяет точно измерять и калибровать полное температурное смещение/температурный дрейф и нелинейность масштабного коэффициента гироскопа по одной оси при вращательном возбуждении.



Часто задаваемые вопросы
Xml политика конфиденциальности блог Карта сайта
Авторское право
@ Микро-Магия Инк Все права защищены.
ПОДДЕРЖИВАЕМАЯ СЕТЬ