U16488 Высокоточный цифровой инерциальный модуль с MEMS-датчиком и 10 осями для навигации и автономных систем
U16488-D MEMS — это 10-осевой инерциальный измерительный блок, отличающийся малыми размерами и высокой точностью. Он подходит для точной навигации, управления и динамических измерений несущих объектов. Инерциальный измерительный модуль серии U16488-D объединяет в своей структуре MEMS-гироскопы, MEMS-акселерометры, MEMS-магнитометры и MEMS-барометры. Выбранные в системе гироскоп, акселерометр, MEMS-магнитометр и MEMS-барометр представляют собой передовые инерциальные устройства на основе MEMS-технологий, отличающиеся высокой надежностью и устойчивостью. Они позволяют точно измерять угловую скорость, ускорение, магнитные параметры и давление (высоту) движущихся несущих объектов в сложных условиях.
Номер детали, :
U16488Минимальный объем заказа (MOQ) :
1Серия продукции и параметры
| Параметр | Условия испытаний | Мин | Тип | Макс | Единица | |
| Гироскоп | Диапазон | -500 | 500 | °/с | ||
| Полнотемпературное нулевое смещение | 50 | 100 | °/ч | |||
| Стабильность при нулевом смещении | 10 секунд сглаживания | 3 | 5 | °/ч | ||
| Нестабильность нулевого смещения | Дисперсия Аллана | 0,8 | 1 | °/ч | ||
| Повторяемость при нулевом смещении | Постоянная температура | 1.5 | 3 | °/ч | ||
| Случайное блуждание под углом | 0,08 | 0.1 | °/√ч | |||
| Нелинейность масштабного коэффициента | 25 | 100 | ppm | |||
| Перекрестная связь | 0,001 | Рад | ||||
| Пропускная способность | 200 | Hz | ||||
| Акселерометр | Диапазон | -16 | 16 | g | ||
| Полнотемпературное нулевое смещение | 0,5 | 3 | mg | |||
| Стабильность при нулевом смещении | 10 секунд сглаживания | 0,02 | 0,05 | mg | ||
| Нестабильность нулевого смещения | Дисперсия Аллана | 0,01 | 0,02 | mg | ||
| Повторяемость при нулевом смещении | Постоянная температура | 0,02 | 0,05 | mg | ||
| Скорость случайного блуждания | 0,01 | 0,03 | м/с/√ч | |||
| Нелинейность масштабного коэффициента | ±1 г | 100 | 200 | ppm | ||
| Перекрестная связь | 0,001 | Рад | ||||
| Пропускная способность | 200 | Hz | ||||
| Магнитометр | Диапазон | -8 | 8 | Gs | ||
| Разрешение | 200 | мкГс | ||||
| Плотность шума | 50 | мкГс | ||||
| Пропускная способность | 200 | Hz | ||||
| Барометр | Диапазон | 300 | 1100 | мбар | ||
| Суммарная ошибка | 4.5 | мбар | ||||
| Абсолютная ошибка | 1.5 | мбар | ||||
| Нелинейность | 0.1 | %FS | ||||
| Разрешение | 0.1 | мбар | ||||
| Интерфейс связи | СПИ | 10 | МГц | |||
| UART | 9.6 | 460.8 | 921.6 | кбит/с | ||
| Электрические характеристики | Рабочее напряжение | 3 | 3.3 | 3.6 | V | |
| Потребление электроэнергии | 0,5 | W | ||||
| Рябь | от пика до пика | 100 | mV | |||
| Время запуска | 2 | s | ||||
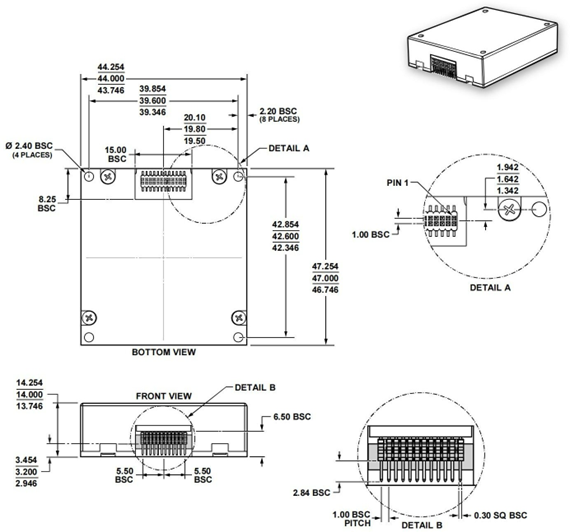
| Структурные характеристики | Размер | 47,0 × 44,0 × 14,0 | mm | |||
| Масса | 50 | g | ||||
| Операционная среда | Рабочая температура | -40 | 80 | ℃ | ||
| Температура хранения | -55 | 85 | ℃ | |||
| Вибрация | 10-2000 Гц, 6,06 г | |||||
| Шок | 30 г, 11 мс | |||||
| Перегрузка | Полусинусоидальная волна | 1000 г | ||||
| Надежность | MTBF | 20000 | h | |||
| Непрерывное рабочее время | 120 | h | ||||
| Примечание: Типичные значения представляют собой статистические значения 1σ для нескольких наборов показателей тестирования продукции. | ||||||
Производственный процесс
Размеры изделия

Сценарии применения
В диапазоне температур от -40 °C до +80 °C. U16488-DПолная температурная калибровка/компенсация позволяет точно измерять и калибровать смещение нуля гироскопа, температурный дрейф и масштабный коэффициент для одноосевого вращательного возбуждения по этой оси.



Часто задаваемые вопросы
Xml политика конфиденциальности блог Карта сайта
Авторское право
@ Микро-Магия Инк Все права защищены.
ПОДДЕРЖИВАЕМАЯ СЕТЬ