MEMS-датчик IMU/Vru/AHRS с нестабильностью смещения гироскопа 0,3°/ч, смещением акселерометра 20 мкГс
Инерциальные измерительные блоки (IMU) серии U6488 оснащены встроенными трехосевыми гироскопами и трехосевыми акселерометрами, которые используются для измерения угловых скоростей и ускорений трех осей несущего объекта. Данные с гироскопов и акселерометров, прошедшие компенсацию ошибок (включая температурную компенсацию, компенсацию угла смещения при установке, нелинейную компенсацию и т. д.), выводятся через последовательный порт в соответствии с согласованным протоколом связи. Они могут использоваться для точной навигации, управления и динамического измерения несущего объекта. В данном изделии используются высокоточные инерциальные MEMS-устройства, отличающиеся малыми размерами, высокой устойчивостью к перегрузкам, высокой надежностью и прочностью, и оно способно точно измерять угловую скорость и ускорение движущегося несущего объекта даже в суровых условиях.
Серия U6488 включает четыре модели: U6488-B, U6488-C, U6488-D и U6488-E. Внешний вид и функциональность интерфейса всех четырех моделей одинаковы. За исключением U6488-E, все они оснащены встроенными трехосевыми магнитометрами и цифровыми барометрами.
Номер детали, :
U6488Минимальный объем заказа (MOQ) :
1Серия продукции и параметры
| Параметр | U6488-A | U6488-B | Единица | |
| Гироскопы | ||||
| Динамический диапазон | ±450 | ±450 | °/с | |
| Стабильность смещения | Дисперсия Аллана | 1 | 0,8 | °/ч |
| Среднее значение за 10 секунд (-40~+85°C, фиксированная температура). | 4 | 5 | °/ч | |
| Радомская прогулка | 0.1 | 0,065 | º/√ч | |
| Повторение предвзятости | 4 | 5 | °/ч | |
| Бас | Изменение смещения в полном температурном диапазоне1 | ±0,04 | ±0,05 | °/с |
| Изменение смещения условий вибрации2 | 6 | 6 | °/ч | |
| Нелинейность масштабного коэффициента | 100 | 100 | ppm | |
| Разрешение | 3,052*10⁻⁷ | 3,052*10⁻⁷ | º/s/LSB | |
| Пропускная способность | 200 | 260 | Hz | |
| Акселерометр | ||||
| Динамический диапазон | ±16 | ±20 | g | |
| Стабильность смещения | Дисперсия Аллана | 0,03 | 0,02 | mg |
| Среднее значение за 10 секунд (-40~+85°C, фиксированная температура). | 0,06 | 0,05 | mg | |
| Радомская прогулка | 0,01 | 0,05 | м/с/√ч | |
| Повторение предвзятости | 0,06 | 0,08 | mg | |
| Нелинейность масштабного коэффициента | 100 | 100 | ppm | |
| Разрешение | 1,221*10⁻⁸ | 1,221*10⁻⁸ | г/ЛСБ | |
| Пропускная способность | 200 | 260 | Hz | |
| Магнитометр | ||||
| Динамический диапазон | ±2 | ±8 | Гаусс | |
| Разрешение | 120 | 200 | мкГаусс | |
| Уровень шума RMS | 10 Гц | 50 | 50 | мкГаусс |
| Пропускная способность | 200 | Hz | ||
| Барометр | ||||
| Диапазон давления | 450 | 1100 | мбар | |
| Разрешение | 0.1 | 0.1 | мбар | |
| Абсолютная точность | 1.5 | 1.5 | мбар | |
| Интерфейс связи | ||||
| 1 канал SPI | Скорость передачи данных | 25 | 25 | МГц |
| 1-канальный UART | Скорость передачи данных | 230.4 | 230.4 | Кбит/с |
| Частота дискретизации | СПИ | 2000 | 2000 | Hz |
| UART | 200 | 200 | Hz | |
| Электронные характеристики | ||||
| Напряжение | 3,3±0,3 | V | ||
| Потребление электроэнергии | 1.5 | W | ||
| Волна ряби | ПП | 100 | mV | |
| Физические характеристики | ||||
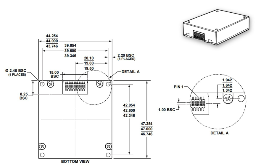
| Измерение | 47*44*14 | mm | ||
| Масса | 50 | граммы | ||
Производственный процесс
Размеры изделия


Сценарии применения



Часто задаваемые вопросы
Xml политика конфиденциальности блог Карта сайта
Авторские права @ Микро-Магия Инк Все права защищены.
ПОДДЕРЖИВАЕТСЯ СЕТЬ