U16575 — это шестиосевой MEMS-инерциальный измерительный блок с цифровым выходом SPI/UART, совместимый с ADIS16575.
Инерциальный измерительный модуль U16575 MEMS — это высоконадежный и экономичный шестиосевой инерциальный измерительный модуль MEMS, широко применяемый в области навигации, управления и измерений, представленных транспортными средствами, судами и дронами. Серия инерциальных измерительных модулей U16575 объединяет высокопроизводительные гироскопы и акселерометры MEMS в независимой структуре. Выбранные для системы гироскопы и акселерометры представляют собой передовые инерциальные устройства на основе технологии MEMS. Трехосевые гироскопы MEMS измеряют угловое движение несущей, а трехосевые акселерометры MEMS — линейное ускорение несущей. Система внутренне компенсирует нулевое положение, масштабный коэффициент, неортогональную ошибку и связанные с ускорением составляющие по всем температурным параметрам, поддерживая высокую точность измерений в течение длительного периода времени.
Инерциальный измерительный модуль серии U16575 может быть сконфигурирован с различным аппаратным и программным обеспечением в соответствии с потребностями пользователя.
Номер детали, :
U16575Минимальный объем заказа (MOQ) :
1Серия продукции и параметры
| Параметр | Показатели | Единица |
| Гироскоп | ||
| Диапазон измерений | ±400 | °/с |
| Полное температурное нулевое смещение | ≤80 | °/ч, 3σ |
| Стабильность при нулевом смещении | ≤5 | °/ч, 10с |
| Нестабильность нулевого смещения | ≤1 | °/ч, Аллан, тип |
| Повторяемость при нулевом смещении | ≤5 | °/ч |
| Случайное блуждание под углом | ≤0,3 | °/√ч |
| Нелинейность масштабного коэффициента | ≤150 | ppm |
| Перекрестное соединение | ≤0,001 | рад |
| Пропускная способность | ≥200 Гц | Hz |
| Акселерометр | ||
| Диапазон измерений | ±10 | g |
| Полное температурное нулевое смещение | ≤5 | мг, 3σ |
| Стабильность при нулевом смещении | ≤300 | мкг, 10 с |
| Нестабильность нулевого смещения | ≤30 | мкг, Аллан, тип |
| Повторяемость при нулевом смещении | ≤50 | Ug |
| Скорость случайного блуждания | ≤0,03 | м/с/√ч |
| Нелинейность масштабного коэффициента | ≤200 | ppm, ±1 г |
| Перекрестная связь | ≤0,001 | рад |
| Пропускная способность | ≥200 Гц | Hz |
| Физические свойства | ||
| Источник питания | 3.3 | V |
| мощность в установившемся режиме | ≤1 | W |
| Время запуска | ≤2 | s |
| Интерфейс связи | Один способ — SPI, другой — UART. | |
| Скорость обновления | 1000 | Гц, макс. |
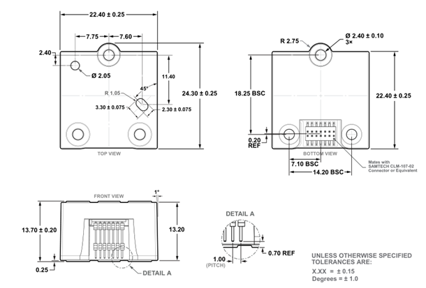
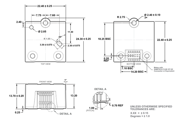
| Размеры | 22.4*22.3*13.7 | mm |
| Масса | 12±2 | g |
| Рабочая среда | ||
| Рабочая температура | -40~80 | ℃ |
| Температура хранения | -55~85 | ℃ |
| Вибрация | 20~2000 Гц, 6.06 | г, среднеквадратичное значение |
| Влияние | 1000/1 мс | g |
Производственный процесс
Размеры изделия

Сценарии применения



Часто задаваемые вопросы
Xml политика конфиденциальности блог Карта сайта
Авторское право
@ Микро-Магия Инк Все права защищены.
ПОДДЕРЖИВАЕМАЯ СЕТЬ