Данная статья посвящена техническим требованиям стандарта IF4010 к инерциальному измерительному блоку типа FOG-40, который может широко использоваться в транспортных средствах, на кораблях, в авиации и других областях.
Номер детали, :
IF4010Минимальный объем заказа (MOQ) :
11. Технические характеристики изделия

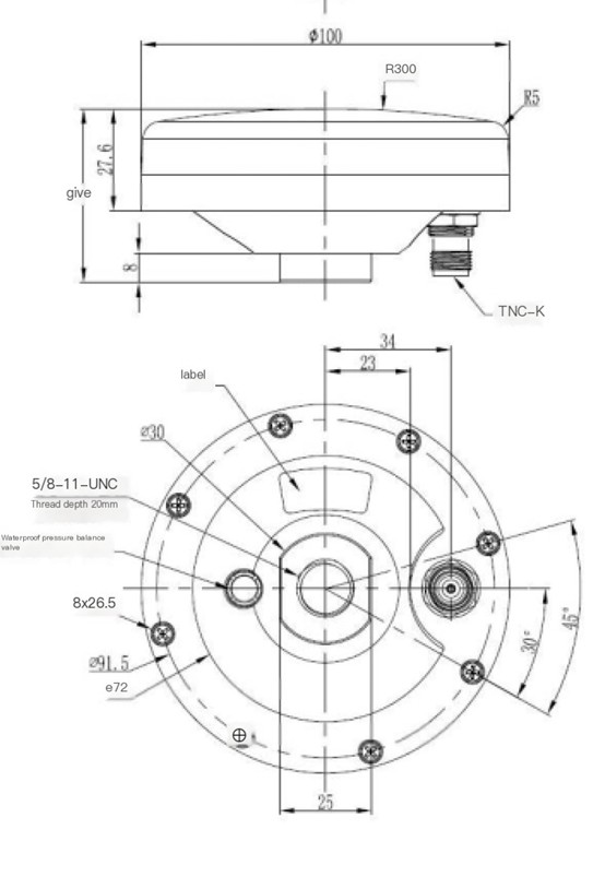
2. Размер изделия





Xml политика конфиденциальности блог Карта сайта
Авторское право
@ Микро-Магия Инк Все права защищены.
ПОДДЕРЖИВАЕМАЯ СЕТЬ