В качестве нового типа полностью твердотельного гирообъектива, волоконно-оптический гироскоп Обладает преимуществами быстрого запуска, широкого диапазона измерений и высокой надежности. Одноосевой прецизионный волоконно-оптический гироскоп G-F120 может применяться в системах высокоточной инерциальной навигации, таких как определение ориентации по суше, определение направления на север для транспортных средств, определение положения в воздухе и морские гироскопы. Данная спецификация применима только к изделиям типа G-F120 и включает в себя показатели производительности, технические условия, внешние габариты, а также условия установки и эксплуатации. К техническим условиям относятся диапазон условий окружающей среды, электрические характеристики и физические параметры изделия.
Номер детали, :
G-F120Минимальный объем заказа (MOQ) :
1Разъем :
RS422Уровень защиты :
IP67Серия продукции и параметры
| Г-Ф120-А | Г-Ф120-Б | Г-Ф120-С | Единица | |
| Стабильность при нулевом смещении | ≤0,01 | ≤0,007 | ≤0,006 | °/час (1σ,10с) |
| Стабильность при нулевом смещении | ≤0,004 | ≤0,003 | ≤0,002 | °/час (1σ,100 с) |
| Время стабилизации с | <10 | <10 | <10 | |
| Повторяемость при нулевом смещении | ≤0,01 | ≤0,007 | ≤0,006 | °/час (1σ) |
| Повторяемость при нулевом смещении в полном диапазоне температур | ≤0,10 | ≤0,08 | ≤0,05 | °/час |
| Коэффициент случайного блуждания | ≤0,002 | ≤0,001 | ≤0,001 | |
| Масштабный коэффициент нелинейности | ≤10 | ≤10 | ≤10 | ppm (1σ) |
| Масштабный коэффициент повторяемости | ≤10 | ≤10 | ≤10 | ppm (1σ) |
| Повторяемость масштабного коэффициента при полной температуре | ≤100 | ≤50 | ≤50 | ppm |
| Динамический диапазон | ±500 | °/с | ||
| Чувствительность к магнитному полю | ≤0,02 | °/ч/Гс | ||
| Рабочая температура | -40~+65 | ℃ | ||
| Температура хранения | -50~+70 | ℃ | ||
Производственный процесс
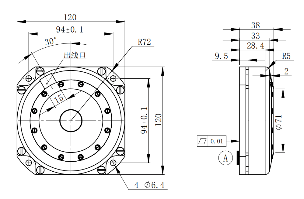
Размеры изделия

График 2. Габаритные размеры G-F120H.
Сценарии применения



Часто задаваемые вопросы
Xml политика конфиденциальности блог Карта сайта
Авторское право
@ Микро-Магия Инк Все права защищены.
ПОДДЕРЖИВАЕМАЯ СЕТЬ