В качестве нового типа полностью твердотельного гирообъектива, волоконно-оптический гироскоп Обладает преимуществами быстрого запуска, широкого диапазона измерений и высокой надежности. Одноосевой волоконно-оптический гироскоп средней и высокой точности G-F70ZKH может применяться в системах высокоточной инерциальной навигации, таких как определение ориентации по суше, определение направления на север для транспортных средств, определение положения в воздухе и морские гироскопы. Данная спецификация применима только к изделиям типа G-F70ZKH и включает в себя показатели производительности, технические условия, внешние габариты, а также условия установки и эксплуатации. К техническим условиям относятся диапазон условий окружающей среды, электрические характеристики и физические параметры изделия.
Номер детали, :
G-F70ZKHМинимальный объем заказа (MOQ) :
1Разъем :
RS422Уровень защиты :
IP67Серия продукции и параметры
| Стабильность при нулевом смещении | ≤0,05 °/час (1σ,10 с) | 2 часа непрерывного тестирования, стабильные результаты за 10 секунд. |
| Время стабилизации | <100 с | |
| Повторяемость при нулевом смещении | ≤0,05 °/час (1σ) | 6 результатов расчета тестовых данных |
| Коэффициент случайного блуждания | ≤0,005 °/ | |
| Масштабный коэффициент нелинейности | ≤20 ppm (1σ) | нормальная температура атмосферы |
| Масштабный коэффициент повторяемости | ≤20 ppm (1σ) | нормальная температура атмосферы |
| Повторяемость масштабного коэффициента при полной температуре | ≤300 ppm (1σ) | -40℃~+60℃ |
| Динамический диапазон | ±500°/с | |
| Чувствительность к магнитному полю | ≤0,05 °/ч/Гс | |
| Рабочая температура | -40℃~+70℃ | |
| Температура хранения | -50℃~+70℃ | |
| Условия вибрации | 4,2 г, 20 Гц – 2000 Гц | Вибрации с изменяющейся частотой не имеют резонанса. |
Производственный процесс
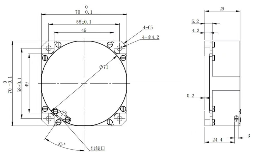
Размеры изделия

График 2. Габаритные размеры G-F70ZKH.
Сценарии применения



Часто задаваемые вопросы
Xml политика конфиденциальности блог Карта сайта
Авторские права @ Микро-Магия Инк Все права защищены.
ПОДДЕРЖИВАЕТСЯ СЕТЬ