В качестве нового типа полностью твердотельного гирообъектива, волоконно-оптический гироскоп Обладает преимуществами быстрого запуска, широкого диапазона измерений и высокой надежности. Одноосевой волоконно-оптический гироскоп средней и высокой точности G-F70ZK может применяться в системах высокоточной инерциальной навигации, таких как определение ориентации по суше, определение направления на север для транспортных средств, определение положения в воздухе и морские гироскопы. Данная спецификация применима только к изделиям типа G-F70ZK и включает в себя показатели производительности, технические условия, внешние габариты, а также условия установки и эксплуатации. К техническим условиям относятся диапазон условий окружающей среды, электрические характеристики и физические параметры изделия.
Номер детали, :
G-F70ZKМинимальный объем заказа (MOQ) :
1Разъем :
RS422Уровень защиты :
IP67Серия продукции и параметры
| G-F70ZK-A | G-F70ZK-B | ||
| Стабильность нулевого смещения °/час (1σ,10 с) | ≤0,05 | ≤0,03 | 2 часа непрерывного тестирования, стабильные результаты за 10 секунд. |
Повторяемость при нулевом смещении °/час (1σ) | ≤0,02 | ≤0,02 | 6 результатов расчета тестовых данных |
| Коэффициент случайного блуждания °/ | ≤0,005 | ≤0,003 | |
| Масштабный коэффициент нелинейности ppm (1σ) | ≤10 | ≤10 | нормальная температура атмосферы |
| Коэффициент масштабирования повторяемости ppm (1σ) | ≤20 | ≤10 | нормальная температура атмосферы |
| Повторяемость масштабного коэффициента при полной температуре, ppm (1σ) | ≤300 | ≤200 | -40℃~+60℃ |
| Динамический диапазон °/с | ±500 | ||
| Чувствительность к магнитному полю °/ч/Гс | ≤0,02 | ||
| Рабочая температура ℃ | -40~+70 | ||
| Температура хранения ℃ | -50~+70 | ||
| Условия вибрации, Гц | 4,2 г, 20–2000 | Вибрации с изменяющейся частотой не имеют резонанса. | |
Производственный процесс
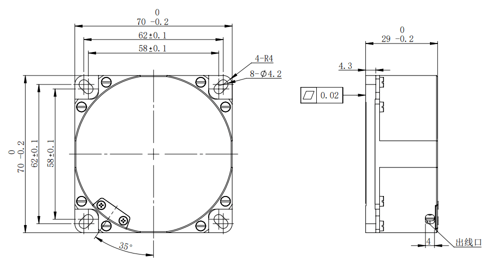
Размеры изделия

График 2. Габаритные размеры G-F70ZK.
Сценарии применения



Часто задаваемые вопросы
Xml политика конфиденциальности блог Карта сайта
Авторское право
@ Микро-Магия Инк Все права защищены.
ПОДДЕРЖИВАЕМАЯ СЕТЬ