В качестве нового типа полностью твердотельного гирообъектива, волоконно-оптический гироскоп Обладает преимуществами быстрого запуска, широкого диапазона измерений и высокой надежности. Двухосевой волоконно-оптический гироскоп средней точности G-F2X70 может применяться на бортовых платформах стабилизации, направляющих головках, крановых бункерах и в других областях. Данная спецификация применима только к изделиям типа G-F2X70 и включает в себя показатели производительности, технические условия, внешние габариты, а также условия установки и эксплуатации. К техническим условиям относятся диапазон условий окружающей среды, электрические характеристики и физические параметры изделия.
Номер детали, :
G-F2X70Минимальный объем заказа (MOQ) :
1Разъем :
RS422Уровень защиты :
IP67Серия продукции и параметры
| Стабильность при нулевом смещении | ≤0,20 | °/час(1σ,10с) 2 часа непрерывного тестирования, стабильные результаты за 10 секунд. |
| Время стабилизации | <100 | s |
| Повторяемость при нулевом смещении | ≤0,20 | °/час(1σ) Результаты 3 тестовых данных |
| Разрешение | ≤0,20 | °/час(1σ) |
| Коэффициент случайного блуждания | ≤0,02 | °/ |
| Повторяемость при нулевом смещении в полном диапазоне температур | ≤0,50 | °/час |
| Масштабный коэффициент нелинейности (при нормальной температуре) | ≤20 | ppm (1σ) |
| Коэффициент масштабирования повторяемости (при нормальной температуре) | ≤50 | ppm (1σ) |
| Динамический диапазон | ±400 | °/с |
| Пропускная способность | ≥500 | Hz |
| Рабочая температура | -40~+65 | ℃ |
| Температура хранения | -50~+70 | ℃ |
| Условия вибрации | 4,2 г, 20–2000 | Hz |
Производственный процесс
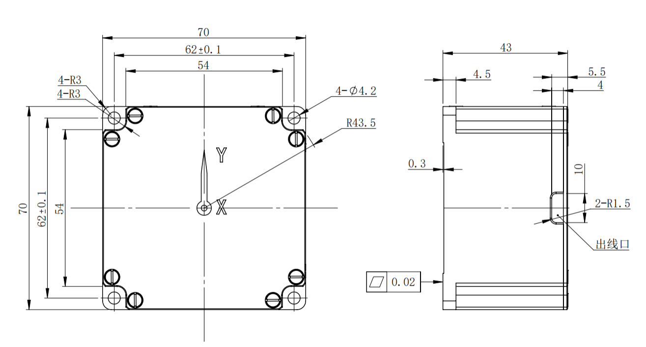
Размеры изделия
Габаритные размеры: 70 мм * 70 мм * 43 мм, размер для установки: четыре отверстия 62 мм * 62 мм, крепежные винты: 4 винта M3, форма и размеры для установки показаны на рисунке 2.

Рисунок 2. Габаритные размеры G-F2X70.
Сценарии применения



Часто задаваемые вопросы
Xml политика конфиденциальности блог Карта сайта
Авторское право
@ Микро-Магия Инк Все права защищены.
ПОДДЕРЖИВАЕМАЯ СЕТЬ