Новый тип полностью твердотельных оптических гироскопов обладает преимуществами быстрого запуска, широкого диапазона измерений и высокой надежности. Серия G-F98HA представляет собой одноосевые гироскопы средней и высокой точности. волоконно-оптические гироскопы Может применяться для решения задач, стоящих перед инерциальными навигационными системами средней и высокой точности, такими как определение местоположения и ориентации на местности, установленные на транспортных средствах датчики направления на север, определение курса в воздухе и морские гирокомпасы.
Номер детали, :
G-F98HAМинимальный объем заказа (MOQ) :
1Разъем :
RS422Уровень защиты :
IP67Серия продукции и параметры
| Г-Ф98ХА-А | Г-Ф98ХА-Б | G-F98HA-C | Единица | |
| Стабильность при нулевом смещении | ≤0,015 | ≤0,015 | ≤0,010 | °/час (1σ,10с) |
| Время стабилизации с | <10 | <10 | <10 | |
| Повторяемость при нулевом смещении | ≤0,015 | ≤0,015 | ≤0,010 | °/час (1σ) |
| Повторяемость при нулевом смещении в полном диапазоне температур | ≤0,10 | ≤0,05 | ≤0,05 | °/час |
| Коэффициент случайного блуждания | ≤0,002 | ≤0,001 | ≤0,001 | |
| Масштабный коэффициент нелинейности | ≤10 | ≤10 | ≤10 | ppm (1σ) |
| Масштабный коэффициент повторяемости | ≤20 | ≤10 | ≤10 | ppm (1σ) |
| Повторяемость масштабного коэффициента при полной температуре | ≤200 | ≤100 | ≤80 | ppm |
| Динамический диапазон | ±500 | °/с | ||
| Чувствительность к магнитному полю | ≤0,02 | °/ч/Гс | ||
| Рабочая температура | -40~+70 | ℃ | ||
| Температура хранения | -50~+70 | ℃ |
Производственный процесс
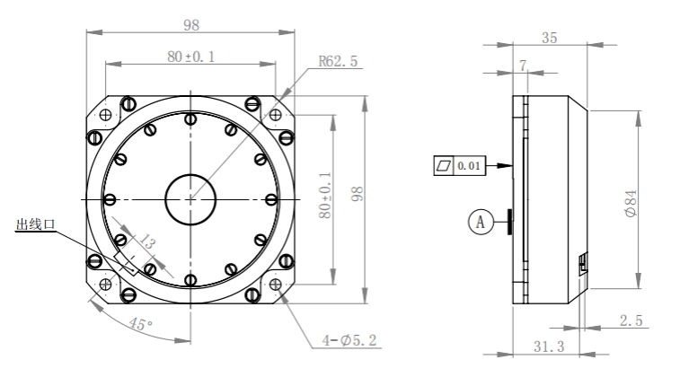
Размеры изделия

График 2. Габаритные размеры G-F98HA.
Сценарии применения



Часто задаваемые вопросы
Xml политика конфиденциальности блог Карта сайта
Авторское право
@ Микро-Магия Инк Все права защищены.
ПОДДЕРЖИВАЕМАЯ СЕТЬ