В качестве нового типа полностью твердотельного гирообъектива, волоконно-оптический гироскоп Обладает преимуществами быстрого запуска, широкого диапазона измерений и высокой надежности. Двухосевой низкоточный волоконно-оптический гироскоп G-F2X64 может применяться на бортовых платформах стабилизации, направляющих головках, крановых бункерах и в других областях. Данная спецификация применима только к изделиям типа G-F2X64 и включает в себя показатели производительности, технические условия, внешние габариты, а также условия установки и эксплуатации. К техническим условиям относятся диапазон условий окружающей среды, электрические характеристики и физические параметры изделия.
Номер детали, :
G-F2X64Минимальный объем заказа (MOQ) :
1Разъем :
RS422Уровень защиты :
IP67Серия продукции и параметры
| G-F2X64-A | G-F2X64-B | Единица | |
| Стабильность при нулевом смещении | ≤0,50 | ≤1.0 | °/час(1σ,10с) |
| Время стабилизации | <10 | <10 | s |
| Повторяемость при нулевом смещении | ≤0,50 | ≤1.0 | °/час(1σ) |
| Повторяемость при нулевом смещении в полном диапазоне температур | ≤0,50 | ≤1.0 | °/час |
| Масштабный коэффициент нелинейности | ≤30 | ≤50 | ppm (1σ) |
| Масштабный коэффициент повторяемости | ≤50 | ≤100 | ppm (1σ) |
| Динамический диапазон | ±400 | °/с | |
| Пропускная способность | ≥100 | Hz | |
| Рабочая температура | -40~+65 | ℃ | |
| Температура хранения | -50~+70 | ℃ | |
| Условия вибрации | 4,2 г, 20–2000 | Hz | |
Производственный процесс
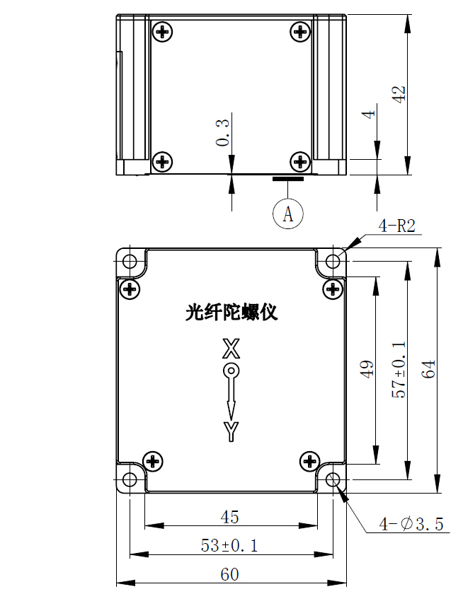
Размеры изделия

Рисунок 2. Габаритные размеры G-F2X64.
Сценарии применения



Часто задаваемые вопросы
Xml политика конфиденциальности блог Карта сайта
Авторское право
@ Микро-Магия Инк Все права защищены.
ПОДДЕРЖИВАЕМАЯ СЕТЬ