Волоконно-оптический гироскоп IMU — высокоточный инерциальный измерительный блок с выходом RS422
Волоконно-оптический инерциальный измерительный блок (IMU)инерциальный измерительный блокЭто малогабаритная ракета, управляемая бомба, система наведения, измерения и управления ориентацией, разработанная на основе инерциальной системы. Она использует три твердотельных волоконных гироскопа, три кварцевых акселерометра и плату обработки данных для измерения угловой скорости и линейного ускорения движения носителя, а также для управления ориентацией и навигацией носителя. Результаты измерений выводятся через последовательный порт RS422.
Номер детали, :
U-F3X80Минимальный объем заказа (MOQ) :
1Серия продукции и параметры
| U-F3X80-H | U-F3X80-M | Единица | |
| Стабильность при нулевом смещении (при комнатной температуре) | ≤0,30 | ≤0,50 | °/час |
| Повторяемость при нулевом смещении (при определенной температуре, шаг за шагом, день за днем) | ≤0,30 | ≤0,50 | °/час |
| Коэффициент масштабирования повторяемости (при комнатной температуре) | ≤30 | ≤50 | ppm |
| Масштабный коэффициент асимметрии (при определенной температуре) | ≤20 | ≤30 | ppm |
| Масштабный коэффициент нелинейности (при определенной температуре) | ≤20 | ≤30 | ppm |
| Порог | ≤0,50 | °/час | |
| Динамический диапазон угловой скорости | ±500 | °/с | |
| Пропускная способность | ≥100 | Hz | |
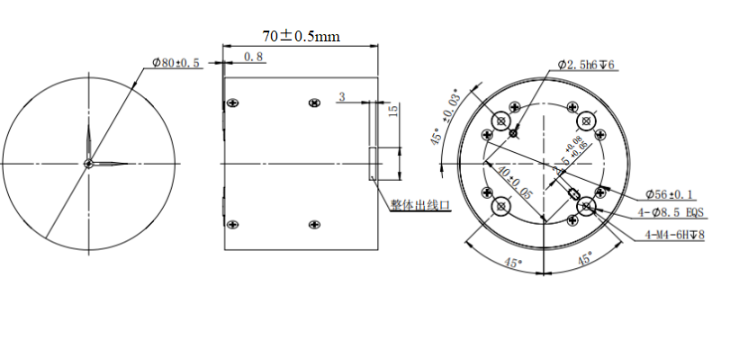
| Измерение | 80**80*70 | mm | |
| Вес (включая акселерометр) | 780±20 | g | |
| Рабочая температура | -40~+65 | ℃ |
Производственный процесс
Размеры изделия

Сценарии применения



Часто задаваемые вопросы
Xml политика конфиденциальности блог Карта сайта
Авторские права @ Микро-Магия Инк Все права защищены.
ПОДДЕРЖИВАЕТСЯ СЕТЬ