Волоконно-оптический гироскоп IMU — высокоточный инерциальный измерительный блок с цифровым выходом RS422.
Волоконно-оптический гироскопНовый тип полностью твердотельного гироскопа обладает преимуществами быстрого запуска, широкого диапазона измерений и высокой надежности. Среди них волоконно-оптический гироскоп U-F3X100 с инерциальным измерительным блоком (IMU) разработан для нужд приложений средней и низкой точности, использует трехкоординатную технологию, отличается низкой стоимостью и стабильной работой; в конструкции он использует интегрированную компоновку оптического тракта и схемы, имеет простую структуру и удобен в установке. Он может применяться в системах навигации, измерения ориентации и управления малыми ракетами и управляемыми бомбами.
Номер детали, :
U-F3X100Минимальный объем заказа (MOQ) :
1Серия продукции и параметры
| U-F3X100-H | U-F3X100-M | Единица | |
| волоконно-оптический гироскоп | |||
| Стабильность при нулевом смещении (при комнатной температуре) | ≤0,05 | ≤0,10 | °/час |
| Повторяемость при нулевом смещении (при определенной температуре, шаг за шагом, день за днем) | ≤0,05 | ≤0,10 | °/час |
| s | ≤20 | ≤20 | ppm |
| Масштабный коэффициент асимметрии (при определенной температуре) | ≤20 | ≤20 | ppm |
| Масштабный коэффициент нелинейности (при определенной температуре) | ≤30 | ≤30 | (ppm) |
| Порог | ≤0,10 | °/час | |
| Динамический диапазон угловой скорости | ±500 | °/с | |
| Пропускная способность | ≥200 | Hz | |
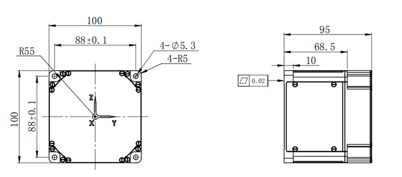
| Измерение | 100**100*95 | mm | |
| Вес (включая акселерометр) | 1100±50 | g | |
| Рабочая температура | -40~+65 | ℃ | |
| Спецификация | Единица | |
| кварцевый акселерометр | ||
| Диапазон | ≥±30 | g |
| Температурный коэффициент масштабного фактора | ≤60 | ppm/℃ |
| Ежемесячная стабильность коэффициента масштабирования | ≤60 | ppm |
| Значение смещения | ≤±7 | mg |
| Температурный коэффициент смещения | ≤60 | мкг/℃ |
| Частичная ежемесячная стабильность | ≤60 | μg |
| Коэффициент нелинейности второго порядка | ≤60 | мкг/г2 |
| Угол крепления | ≤200 | " |
| Появление | Без царапин, трещин и ржавчины. | |
Производственный процесс
Размеры изделия

Сценарии применения



Часто задаваемые вопросы
Xml политика конфиденциальности блог Карта сайта
Авторские права @ Микро-Магия Инк Все права защищены.
ПОДДЕРЖИВАЕТСЯ СЕТЬ