Двухосевой наклонный переключатель T70-J с четырехсторонним двусторонним выходом, длительный срок службы ≥55000 часов, для применения в машиностроении, горнодобывающей промышленности и судостроении.
Т70-J — это разработанный в стране двухкоординатный 4-позиционный 2-позиционный поворотный механизм с четырьмя осями. переключатель угла наклона Модуль измерения угла наклона компонентов производства Micro-Magic Inc. использует протокол RTU Modbus и имеет внутренние основные компоненты, включая микроконтроллер, MEMS-модуль измерения угла наклона, цепь питания, выходную цепь и другие компоненты отечественного производства. Цель – производство оборудования отечественного производства и преодоление барьеров на пути к самостоятельным исследованиям и разработкам в области технологий.
Номер детали, :
T70-JМинимальный объем заказа (MOQ) :
1Серия продукции и параметры
| Параметр | Условия | Т70-Дж | Единица |
| Диапазон измерений | ±90 | ° | |
| Ось измерения | оси X, Y | ||
| Ось Алам | оси X, Y | ||
| Частотная характеристика | Ответ постоянного тока | 100 | Hz |
| Точность | -40~85℃ | 0.2 | ° |
| Долгосрочная стабильность | -40~85℃ | <0.3 | ° |
| Время начала включения питания | 0,5 | s | |
| Выходной сигнал | Импульсный (напряженный) выход, опционально RS232 и TTL, настраиваемый RS485. | ||
| Релейный выход (нормально разомкнутый и нормально замкнутый), опционально RS232 и TTL, настраиваемый RS485. | |||
| Среднее количество рабочих часов | ≥35000 часов/время | ||
| Ударопрочность | 2450 г, 0,5 мс, 3 раза/ось | ||
| Антивибрационная система | 10 г, 10–1000 Гц | ||
| Сопротивление изоляции | ≥100 МОм | ||
| Уровень водонепроницаемости | IP67 | ||
| Кабель | Стандартный экранированный кабель длиной 1,5 метра, износостойкий, маслостойкий, с широким диапазоном рабочих температур, сечением 8*0,3 мм². | ||
| Масса | 110 г (без упаковки) | ||
Производственный процесс

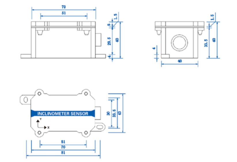
Размеры изделия

Размеры изделия: Д70*Ш40*В40 мм
Сценарии применения



Часто задаваемые вопросы
Xml политика конфиденциальности блог Карта сайта
Авторские права @ Микро-Магия Инк Все права защищены.
ПОДДЕРЖИВАЕТСЯ СЕТЬ