Высокопроизводительный MEMS-датчик наклона T70-D со встроенными двойными реле для электромагнитных клапанов/систем сигнализации.
T70-D — это высокопроизводительный релейный выход. одноосевой двухканальный цифровой переключатель наклона Устройство выпущено компанией Micro-Magic Inc. Hi-Tech Company. Диапазон измерения составляет 0~±180°, и в него встроены две релейные выходные цепи. Когда значение угла наклона превышает заданный пороговый уровень срабатывания сигнализации, срабатывает неиндуктивное контактное реле (ток управления 1 А), и открывается электромагнитный клапан для выполнения соответствующего гидравлического выравнивания опор. Пороговое значение срабатывания сигнализации калибруется на заводе, но пользователи также могут установить его самостоятельно.
Номер детали, :
T70-DМинимальный объем заказа (MOQ) :
1Серия продукции и параметры
| Параметр | Условия | Т70-Д-АВ | Единица |
| Диапазон измерений | ±90 | ° | |
| Ось измерения | Ось Y (опционально) | Ось X, ось Y | |
| Ось Алам | Ось Y (опционально) | Ось X, ось Y | |
| Частотная характеристика | Ответ постоянного тока | 100 | Hz |
| Разрешение | Полоса пропускания 5 Гц | 0,01 | ° |
| Точность | -40~85℃ | 0.1 | ° |
| Долгосрочная стабильность | -40~85℃ | 0.1 | ° |
| Время начала включения питания | 0.2 | s | |
| Выходной сигнал | Выходное напряжение (количество переключений) Одновременно доступны интерфейсы RS232, TTL и RS485 (опционально). | ||
| Среднее количество рабочих часов | ≥55000 часов/время | ||
| Ударопрочность | 3500 г, 0,5 мс, 3 раза/ось | ||
| Антивибрационная система | 10 г, 10–1000 Гц | ||
| Сопротивление изоляции | ≥100 МОм | ||
| Уровень водонепроницаемости | IP67 | ||
| Кабель | Стандартный экранированный кабель длиной 1,5 метра, износостойкий, маслостойкий, с широким диапазоном рабочих температур, сечением 5*0,3 мм². | ||
| Масса | 150 г (без упаковки) | ||
Производственный процесс
Больше похожих товаров

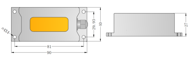
Размеры изделия

Размеры изделия: Д90*Ш40*В27 мм
По умолчанию датчик устанавливается горизонтально вверх: во время установки поверхность, на которую он устанавливается, должна быть параллельна измеряемой целевой поверхности; пожалуйста, обратитесь к схеме поворота для получения информации о способе установки. Если требуются другие способы установки, пожалуйста, обратитесь к схематическому описанию «Способ установки изделия» и укажите это при оформлении заказа.

Сценарии применения



Часто задаваемые вопросы
Xml политика конфиденциальности блог Карта сайта
Авторские права @ Микро-Магия Инк Все права защищены.
ПОДДЕРЖИВАЕТСЯ СЕТЬ