МГ-403 одноосевой гироскоп Это высокоточный одноосевой MEMS-гироскоп, выпущенный компанией Micro-Magic Inc. Благодаря использованию малогабаритного керамического корпуса, он обладает высокой точностью, широким диапазоном измерений, устойчивостью к сильным ударам, широким температурным диапазоном и полностью цифровым выводом. В основном используется в инерциальной навигации, интегрированной навигации, системах определения ориентации (AHRS), системах стабилизации платформы, системах управления полетом беспилотных летательных аппаратов и т. д.
Номер детали, :
MG-403Минимальный объем заказа (MOQ) :
1Серия продукции и параметры
| МГ-403 | Единица | Примечания | |
| Диапазон измерений | 400 | град/с | Вращение по часовой стрелке обеспечивает положительный выходной сигнал, ограниченный значением ±105% от полной шкалы. во время превышения дальности |
| Разрешение | 24 бит | биты | |
| Скорость передачи данных | 12K | Hz | Частота обновления выходных данных при комнатной температуре |
| Групповая задержка | <2 | ms | Задержка по времени между физическим входным и выходным сигналом. |
| @3DB | 《90 градусов | град | |
| Полоса пропускания (-3 дБ) | 150 | Hz | Определяется как частота, при которой затухание превышает -3 дБ. |
| Масштабный коэффициент при 25°C | 20000 | лсб/град/с | заводская настройка |
| Повторяемость масштабного коэффициента (1σ) | <15 | ppm | день за днем при заданной температуре (1σ) |
| Масштабный коэффициент против температуры (1σ) | <50 | ppm | В диапазоне температур (1σ) |
| Масштабный коэффициент нелинейности (1σ) | <100 | ppm | Процент динамического диапазона, рассчитанный с использованием наилучшей прямой аппроксимации. |
| Нестабильность смещения | <0,03 | град/час | Отклонение Аллана при 25°C |
| Стабильность смещения | <0.3 | град/час | 10s smooth GJB |
| Стабильность смещения | <1 | град/час | 1s smooth GJB |
| Угловое случайное блуждание | <0,015 | °/ √ч | Отклонение Аллана при 25°C |
| Ошибка смещения по температуре (1σ) | <5 | град/час | В диапазоне температур (1σ) |
| Изменение температуры смещения, откалиброванное (1σ) | <0,5 | град/час | В диапазоне температур (1σ) |
| Смещение Run-Run(1σ ) | <0,15 | град/час | день за днем при заданной температуре (1σ) |
| Уровень шума от пика до пика | <0,15 | град/с | В диапазоне частот полосы пропускания при комнатной температуре. |
| g Чувствительность | <0.3 | °/ч/г | По любой оси, проверено в пределах ±1 г. |
| ВИ | <0.3 | °/ч/г (среднеквадратичное значение) | (12 г RMS, 20-2000) |
| Время запуска | 750 м | s | Время до получения результатов работы |
| Резонансная частота датчика | 11,5-12,5 кГц | Hz | Частота гирорезонанса |
| Удар (действующий) | 1000 г, 1 мс | ||
| Шок (выживание) | 10000 г, 10 мс | ||
| Вибрация при работе | 18 г, спектр экрана | ||
| Рабочая температура | -40°C ~ +85°C | ||
| Максимальная температура хранения (сохранения жизнеспособности). | -55° ~ +125° | ||
| Напряжение питания | 5±0,25 В | ||
| Текущее потребление | 40 мА | ||
Информация об упаковке
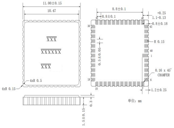
MG-XXXX использует 48-контактный керамический корпус.

Рисунок 1. Схема упаковки.

Рисунок 2. Схема размеров упаковки.
Ось вращения

Рисунок 3. Схема обнаружения осевого вращения.
MG-XXXX — это высокопроизводительный одноосевой гироскоп, который определяет ось вращения, перпендикулярную поверхности чипа.
Вращайте против часовой стрелки вокруг оси вращения в положительном направлении и по часовой стрелке вокруг оси вращения в отрицательном направлении.
Сценарии применения
MG403 — это высокопроизводительный одноосевой станок. МЭМС-гироскоп Этот прибор выдает данные об угловой скорости и температуре через интерфейс SPI, что подходит для высокоточных измерений вращения и таких применений, как инерциальная навигация и стабилизация ориентации.



Часто задаваемые вопросы
Xml политика конфиденциальности блог Карта сайта
Авторские права @ Микро-Магия Инк Все права защищены.
ПОДДЕРЖИВАЕТСЯ СЕТЬ