Цифровой трехосевой датчик наклона T700-C, одноплатный, точность 0,02°, разрешение 0,005°, интерфейсы RS232/RS485/RS422/TTL/Modbus/CAN.
T700-C — это цифровой выход (X, Y, Z). трехкоординатный датчик наклона Благодаря встроенному высокоточному 16-битному АЦП и алгоритму фильтрации n-го порядка, на выходе получаются значения наклона по осям X, Y, Z. Интерфейсы вывода: RS232, RS485, RS422, TTL, Modbus и Canopen (опционально). Изделие может корректировать температурный дрейф датчика на основе изменений температуры, отслеживаемых встроенным датчиком температуры, что обеспечивает повторяемость работы в условиях низких и высоких температур. Выходная частота: 100 Гц.
Номер детали, :
T700-CМинимальный объем заказа (MOQ) :
1Серия продукции и параметры
| Параметр | Условия | Т700-С-10 | Т700-С-30 | Т700-С-60 | Т700-С-90 | Единица |
| Диапазон измерений | ±10 | ±30 | ±60 | ±90 | ° | |
| Ось измерения | X, Y, Z | X, Y, Z | X, Y, Z | X, Y, Z | ||
| нулевой температурный дрейф | -40~85° | ±0,005 | ±0,005 | ±0,005 | ±0,005 | °/℃ |
| Температурный коэффициент чувствительности | -40~85° | ≤100 | ≤100 | ≤100 | ≤100 | ppm/℃ |
| Частотная характеристика | Ответ постоянного тока | 100 | 100 | 100 | 100 | Hz |
| Разрешение | 0,005 | 0,005 | 0,005 | 0,005 | ° | |
| Точность | 0,02 | 0,03 | 0,04 | 0,05 | ° | |
| Долгосрочная стабильность | <0,023 | <0,035 | <0,045 | <0,054 | ° | |
| Время начала включения питания | 0.2 | s | ||||
| Время отклика | 0,01 | s | ||||
| Скорость выпуска | 5 Гц (можно установить 15 Гц, 35 Гц, 50 Гц, 100 Гц) (В RS485 эта функция отсутствует) | |||||
| Выходной сигнал | RS232/RS485/RS422/TTL/PWM/ CAN/(MODBUS опционально) | |||||
| Среднее количество рабочих часов | ≥45000 часов/время | |||||
| Ударопрочность | 20000 г, 0,5 мс, 3 раза/ось | |||||
| Антивибрационная система | 10 г, 10–1000 Гц | |||||
| Сопротивление изоляции | ≥100 МОм | |||||
| Уровень водонепроницаемости | IP66 | |||||
| Кабель | Стандартный экранированный кабель длиной 10 см, износостойкий, маслостойкий, с широким диапазоном рабочих температур, сечением 4*0,3 мм². | |||||
| Масса | 10 г (без упаковки) | |||||
Производственный процесс
Больше похожих товаров

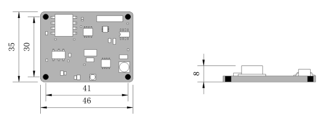
Размеры изделия

Размеры изделия: Д46*Ш35*В8 мм
По умолчанию датчик устанавливается горизонтально вверх: при установке поверхность установки должна быть параллельна измеряемой целевой поверхности; для получения информации о способах установки см. схему поворота. Если требуются другие способы установки, обратитесь к принципиальной схеме «Способ установки изделия» и укажите это при оформлении заказа.
Сценарии применения



Часто задаваемые вопросы
Xml политика конфиденциальности блог Карта сайта
Авторские права @ Микро-Магия Инк Все права защищены.
ПОДДЕРЖИВАЕТСЯ СЕТЬ