В практическом использовании шины CAN, как показано на рисунке 1, на обоих концах шины необходимо подключить резистор сопротивлением 120 Ом. Так для чего же предназначен резистор на 120 Ом?

Рисунок 1
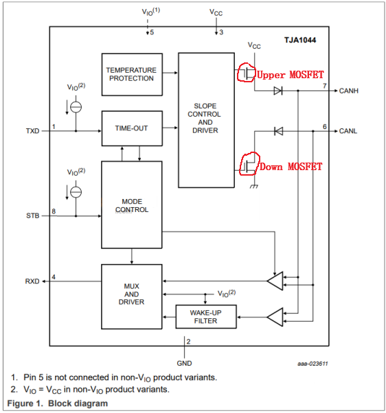
Ниже в качестве примера для анализа мы рассмотрим внутреннюю архитектурную схему микросхемы TJA1044.

Рисунок 2
Характерной особенностью шины CAN является то, что доминирующий режим соответствует 0, а рецессивный — 1. Когда шина находится в рецессивном режиме, оба транзистора Q1 и Q2 микросхемы TJA1044 выключены, оставляя CANH и CANL неактивными с разностью напряжений 0 В. Когда шина находится в доминирующем режиме, оба транзистора Q1 и Q2 микросхемы TJA1044 включены, создавая разность напряжений между CANH и CANL. Если на шине нет нагрузки и она находится в рецессивном режиме, дифференциальное сопротивление шины будет очень большим, и даже минимальная внешняя энергия может привести к тому, что шина станет доминирующей. Это происходит главным образом потому, что минимальное пороговое напряжение для доминирующего режима в типичных трансиверах составляет всего около 500 мВ. Поэтому для повышения устойчивости шины к помехам необходим оконечный резистор. Однако это сопротивление должно быть как можно меньше (а также во избежание чрезмерного тока).
Кроме того, необходимо учитывать паразитные емкости на шине. Когда шина доминирует, конденсатор заряжается, а когда она рецессивна, конденсатор разряжается. Если на шине нет параллельных резисторов, разрядка может происходить только через приемопередатчики на обоих концах. Это влияет на время перехода между двумя состояниями (рецессивным и доминирующим), что приводит к аномалиям формы сигнала (подъему), как показано на рисунке 3. Когда сигнал сталкивается с разрывом импеданса в высокоскоростном канале передачи, это вызывает отражения сигнала, которые мы называем разрывами импеданса. Добавление клеммных резисторов может устранить или уменьшить влияние этих отражений сигнала. Клеммные резисторы поглощают энергию сигнала, предотвращая ее рассеивание на шине. Так почему же 120 Ом? На самом деле, стандарт ISO 11898-2 четко определяет 120 Ом как наиболее разумное значение сопротивления, определенное в результате обширных экспериментальных испытаний.
Рисунок 3
Если вы хотите проверить, какое значение сопротивления клемм шины необходимо в реальном проекте, вы можете сделать это, используя метод, показанный на рисунке 4 ниже.
Рисунок 4
Подключите регулируемый резистор параллельно шине и регулируйте его до тех пор, пока форма прямоугольного сигнала не останется неискаженной. При выборе мощности резистора на выводах необходимо учитывать условия короткого замыкания интерфейса. Это означает, что в случае короткого замыкания ток короткого замыкания будет течь непосредственно от CANH к CANL. Однако ток, который может выдержать типичный CAN-трансивер, составляет всего несколько десятков мА (из-за внутренних мер ограничения тока внутри трансивера). Например, TJA1044 выдерживает только 50 мА. Исходя из формулы P = I² * R, получаем 50 мА * 50 мА * 120 Ом = 0,3 Вт. Поэтому мощность резистора выбирается равной 0,25 Вт, что соответствует распространенному корпусу 1206.
Xml политика конфиденциальности блог Карта сайта
Авторское право
@ Микро-Магия Инк Все права защищены.
ПОДДЕРЖИВАЕМАЯ СЕТЬ