Высокоточный преобразователь напряжения в частоту ±80 мА, выход 512 кГц, маломощный, компактный 3-осевой акселерометрический сигнальный модуль
Серия AVI-C преобразование V/F Модуль представляет собой высокоточный преобразователь напряжения/частоты, использующий интеграцию заряда для непрерывного одновременного преобразования токовых сигналов трех акселерометров. Все компоненты, используемые в этой серии продуктов, на 100% произведены в стране, диапазон измерения составляет до ±80 мА. Он отличается малыми размерами, низким энергопотреблением, низкой температурой и автономной управляемостью.
Номер детали, :
AVI-CМинимальный объем заказа (MOQ) :
1Серия продукции и параметры
| Спецификация | Условия испытаний | Минимум | Типичный | Максимум | Единица |
| Максимальная выходная частота | Полная температура | - | - | 512 | кГц |
| Нулевое положение F0 | Полная температура | 0 | 60 | 100 | nA |
| Нулевая стабильность | испытание при постоянной температуре | 10 | 20 | ppm | |
| Температурный коэффициент масштабного фактора | Полный температурный диапазон | - | 1 | 2 | ppm/℃ |
| Асимметрия масштабного коэффициента | I = ±1 мА, TC = 25℃ | 0 | 30 | ppm | |
| Масштабный коэффициент комплексной нелинейности | Полный температурный диапазон 1 мА ≤ |I| ≤ FS | - | 30 | 50 | ppm |
| Ошибка малого сигнала | 0,01 мкА ≤ |I| ≤ 1 мА | 0,5 | Hz | ||
| Стабильность работы при одном включении питания | I = ±1 мА, TC = 25℃ | 10 | 20 | ppm | |
| Повторяемость последовательной мощности | I = ±1 мА, TC = 25℃ | 10 | 20 | ppm | |
| Диапазон рабочих температур TC | -45 | 85 | ℃ | ||
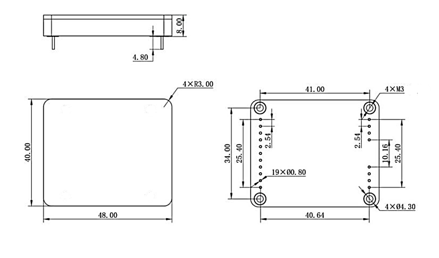
| Размеры изделия | 48*40*8 | мм | |||
| Форма интерфейса | Двойной линейный штекер | ||||
Производственный процесс
Размеры изделия

Сценарии применения



Часто задаваемые вопросы
Xml политика конфиденциальности блог Карта сайта
Авторские права @ Микро-Магия Инк Все права защищены.
ПОДДЕРЖИВАЕТСЯ СЕТЬ