Кварцевый инерциальный акселерометр AC-7 с высокоточным навигационным датчиком ± 60 г
АС-7 кварцевый гибкий акселерометр Эта серия представляет собой небольшой высокотемпературный сейсмический акселерометр. Изделие обладает превосходной повторяемостью, пусковыми характеристиками, высокой термостойкостью и надежностью, что позволяет использовать его как для статических, так и для динамических испытаний, а также в качестве стандартного датчика вибрации. Изделие отличается уникальной миниатюризацией, высокотемпературной сейсмостойкой конструкцией, передовым процессом упаковки и специальной схемой. Выходной ток пропорционален входному ускорению, пользователь может выбрать соответствующее сопротивление выборки путем расчета, что обеспечивает высокую точность выходного сигнала. Встроенный датчик температуры, в соответствии с требованиями пользователя, позволяет компенсировать частичную погрешность и масштабный коэффициент, снижая влияние температуры окружающей среды.
Номер детали, :
AC-7Минимальный объем заказа (MOQ) :
1Серия продукции и параметры
| Параметры | AC-7A | AC-7B | AC-7C | Единица |
| Диапазон | ± 60 | ± 60 | ± 60 | g |
| Пороговое значение | 10 | 10 | 10 | μg |
| Отклонение K0/K1 | ≤ ±10 | ≤ ±10 | ≤ ±10 | mg |
| Масштабный коэффициент K1 | 1,2 ±0,2 | 1,2 ±0,25 | 1,2 ±0,25 | мА/г |
| Коэффициент нелинейности класса II K2 | ≤ ±20 | ≤ ±20 | ≤ ±20 | мкг/г2 |
| 0 г 4 часа кратковременная стабильность | ≤20 | μg | ||
| 1 г, 4 часа, кратковременная стабильность | ≤20 | ppm | ||
| Значение отклонения, комплексная воспроизводимость σK0 (1σ, один месяц) | ≤ 40 | ≤ 40 | ≤ 40 | μg |
| Повторяемость масштабного коэффициента σK1/K1 (1σ, один месяц) | ≤ 50 | ≤ 50 | ≤ 50 | ppm |
| Коэффициент нелинейности, комплексная повторяемость K2/K1 (1σ, один месяц) | ≤ ±20 | ≤ ±20 | ≤ ±20 | мкг/г2 |
| Отклонение значения температурного коэффициента | ≤ ±30 | ≤ ±30 | ≤ ±30 | мкг/℃ |
| Температурный коэффициент масштабного фактора | ≤ ±50 | ≤ ±50 | ≤ ±50 | ppm /℃ |
| Шум (сопротивление образца 840 Ом) | ≤ 4 | ≤ 5 | ≤ 5 | mv |
| Собственная частота | 350 ~ 800 | Hz | ||
| Пропускная способность | 800 ~ 2500 | ≥ 350 | ≥ 350 | Hz |
| Вибрация | 5g | 20~2000 Гц | ||
| Шок | 150 г (0,5 мс) | 150 г (5 мс) | 150 г (5 мс) | 1/2sin |
| Диапазон рабочих температур | -40 ~ +85 | ℃ | ||
| Диапазон температур (сохранен) | -60 ~ +120 | ℃ | ||
| Источник питания | ±12 ~ ±15 | ±15 (±0,5) | ±12 ~ ±18 | V |
| Потребление тока (в статическом режиме) | ≤ ±20 | ≤ ±100 | ≤ ±16 | mA |
| Размер | Ф18.2X23 | Ф18.2X23 | Ф18.2X20.6 | mm |
| Масса | ≤30 | g | ||
Производственный процесс
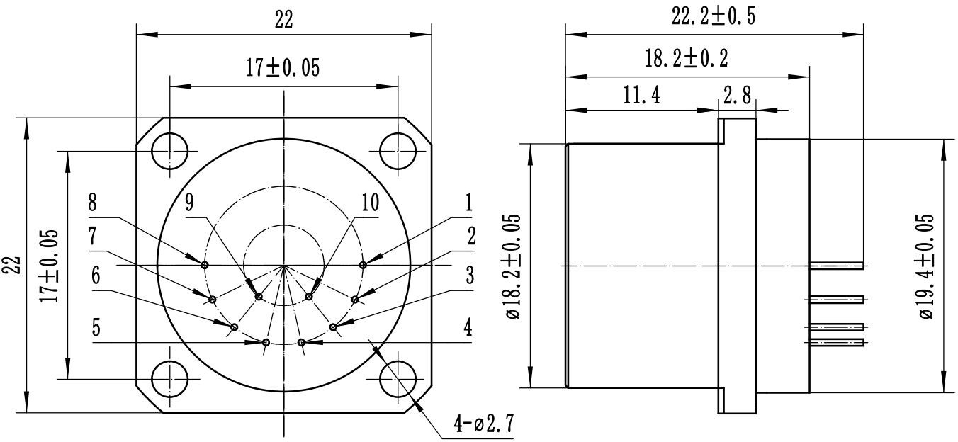
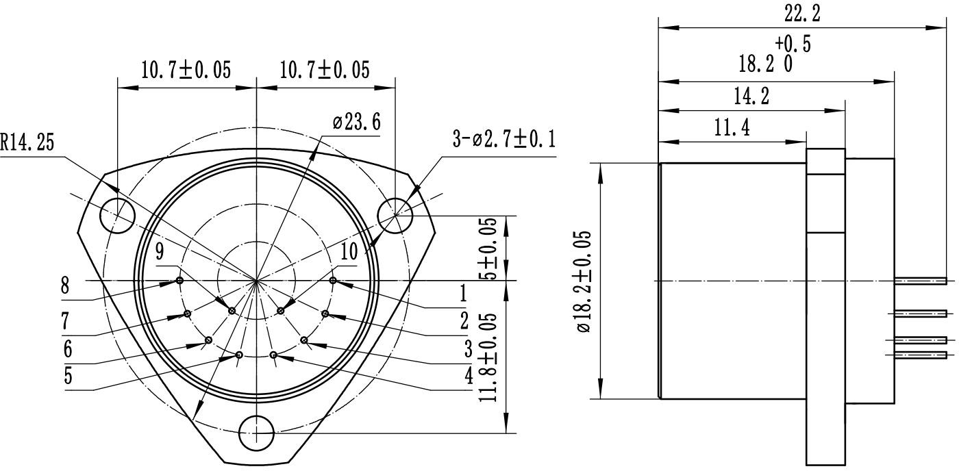
Размеры изделия
AC-7A и AC-7B

Схема 1 для квадрата

Схема 2 для треугольника

Схема 3 для перевернутого треугольника

Контур для квадрата
Сценарии применения



Часто задаваемые вопросы
Xml политика конфиденциальности блог Карта сайта
Авторское право
@ Микро-Магия Инк Все права защищены.
ПОДДЕРЖИВАЕМАЯ СЕТЬ