MEMS-акселерометр
Дом Кварцевый акселерометр

Высокоточный кварцевый акселерометр ± 70 г для статических и динамических испытаний, инерциальный навигационный датчик AC-2.

Высокоточный кварцевый акселерометр ± 70 г для статических и динамических испытаний, инерциальный навигационный датчик AC-2.

AC-2 кварцевый гибкий акселерометр Эта серия представляет собой высокоточный инерциальный навигационный акселерометр военного класса, обладающий превосходной долговременной стабильностью, повторяемостью, пусковыми характеристиками, адаптивностью к окружающей среде и высокой надежностью. Он может использоваться как для статических, так и для динамических испытаний, а также является стандартным датчиком вибрации и датчиком наклона. Выходной ток изделия имеет линейную зависимость от принимаемой силы или ускорения. Пользователи могут выбрать соответствующее сопротивление выборки путем расчета для достижения высокой точности выходного сигнала. В соответствии с потребностями пользователя, встроенный датчик температуры используется для компенсации смещения значения и масштабного коэффициента, что снижает влияние температуры окружающей среды.

  • Номер детали, :

    AC-2
  • Минимальный объем заказа (MOQ) :

    1
Новые продукты
  • ОПИСАНИЕ

Серия продукции и параметры

Параметры AC-2A AC-2B AC-2C Единица
Диапазон (40 Ом) ±70 g
Пороговое значение / Разрешение 2 3 4 μg
Смещение K0/K1 ≤ ±3 ≤ ±3 ≤ ±5 mg
Масштабный коэффициент K1 0,8 ~ 1,20     мА/г
коэффициент нелинейности класса II k2/k1 ≤ ±10 ≤ ±15 ≤ ±20 мкг/г2
0 г 4 часа кратковременная стабильность ≤10 ≤15 ≤20 μg
1 г, 4 часа, кратковременная стабильность ≤10 ≤15 ≤20 ppm
Смещение дрейфа
Сигма K0 (1σ, один месяц)
≤10 ≤20 ≤30 μg
Повторяемость масштабного коэффициента сигма
σK1/K1 (1σ, один месяц)
≤15 ≤30 ≤50 ppm
нелинейность класса II
Повторяемость коэффициента σK2/K1
(1σ, один месяц)
≤ ±10 ≤ ±20 ≤ ±30 мкг/г2
Коэффициент тепловой зависимости ≤ ±10 ≤ ±30 ≤ ±50 мкг/℃
Масштабный коэффициент теплового коэффициента ≤ ±20 ≤ ±30 ≤ ±50 ppm/℃
Шум (сопротивление образца 840 Ом) ≤5 mv
Собственная частота 400 ~ 800 Hz
Пропускная способность 800 ~ 2500 Hz
Вибрация 6g 20~2000 Гц
Шок 100 г 8 мс, 1/2 с
Диапазон рабочих температур -55 ~ +85
Диапазон температур (сохранен) -60 ~ +120
Власть ±12 ~ ±15 V
Потреблять текущий ≤ ±20 mA
Датчик температуры Необязательный  
Размер Ф25.4X30 mm
Масса ≤80 g

Производственный процесс


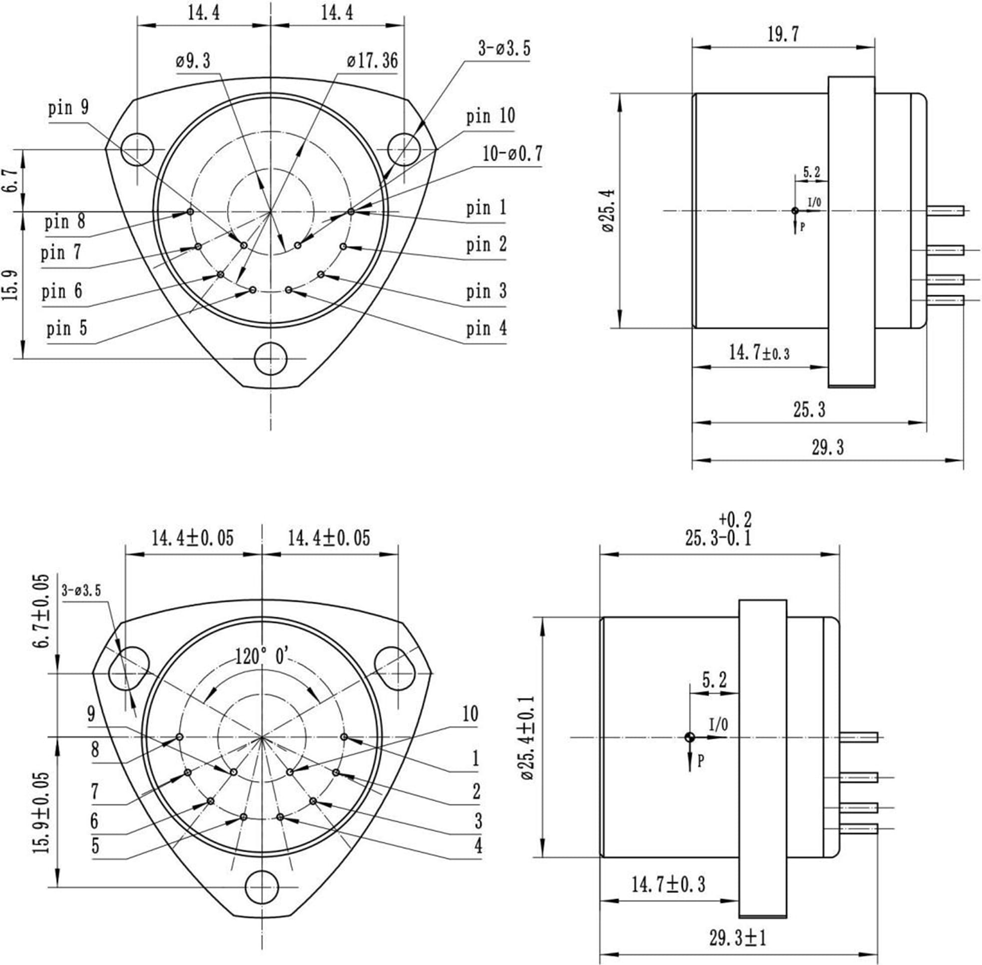
Размеры изделия

quartz accelerometer design


Сценарии применения

Кварцевый изгибный акселерометр приложение
Кварцевый акселерометр AC-2 в основном используется в высокоточных инерциальных системах навигации и управления в аэрокосмической отрасли, авиации, судостроении и производстве вооружений. Он также может применяться для вибрационных испытаний, виброизоляции и измерения наклона прецизионных приборов и оборудования.
Связаться с нами
quartz accelerometer for Aerospace
Аэрокосмическая отрасль
quartz accelerometer for Aviation
Авиация
quartz accelerometer for Weapon
Оружие

Часто задаваемые вопросы

В1: Каков диапазон измерений акселерометра AC-2?
A: Прибор AC-2 обеспечивает диапазон измерения ±70 г (при сопротивлении выборки 40 Ом), подходящий для работы в условиях высокой динамики.

В2: Подходит ли AC-2 для аэрокосмической отрасли и других применений?
А: Да. AC-2 — это высокоточный инерциальный акселерометр, широко используемый в аэрокосмической, морской и навигационной системах вооружения.
 
В3: Включает ли AC-2 температурную компенсацию?
А: Да. Он предлагает опциональный встроенный датчик температуры (например, AD590 или PT1000) для компенсации температурного дрейфа.
оставить сообщение
Если вы заинтересованы в нашей продукции и хотите узнать более подробную информацию, пожалуйста, оставьте сообщение здесь, мы ответим вам, как только сможем.

Сопутствующие товары

quartz flexible accelerometer
Добейтесь точности и стабильности с помощью кварцевого акселерометра AC-1: идеальное решение для инерциальной навигации в аэрокосмической отрасли.
АС-1 кварцевый гибкий акселерометр Эта серия представляет собой высокоточный инерциальный навигационный акселерометр военного класса, обладающий превосходной долговременной стабильностью, повторяемостью, пусковыми характеристиками, адаптивностью к окружающей среде и высокой надежностью. Он может использоваться как для статических, так и для динамических испытаний, а также является стандартным датчиком вибрации и датчиком наклона. Выходной ток устройства имеет линейную зависимость от получаемой силы или ускорения. Пользователи могут выбрать подходящее сопротивление выборки путем расчета для достижения высокой точности выходного сигнала. Кроме того, в соответствии с потребностями пользователя, встроенный датчик температуры используется для компенсации смещения значения и масштабного коэффициента, что снижает влияние температуры окружающей среды.
quartz flexible accelerometer
Высокоточный кварцевый акселерометр ± 70 г для статических и динамических испытаний, инерциальный навигационный датчик AC-2.
AC-2 кварцевый гибкий акселерометр Эта серия представляет собой высокоточный инерциальный навигационный акселерометр военного класса, обладающий превосходной долговременной стабильностью, повторяемостью, пусковыми характеристиками, адаптивностью к окружающей среде и высокой надежностью. Он может использоваться как для статических, так и для динамических испытаний, а также является стандартным датчиком вибрации и датчиком наклона. Выходной ток изделия имеет линейную зависимость от принимаемой силы или ускорения. Пользователи могут выбрать соответствующее сопротивление выборки путем расчета для достижения высокой точности выходного сигнала. В соответствии с потребностями пользователя, встроенный датчик температуры используется для компенсации смещения значения и масштабного коэффициента, что снижает влияние температуры окружающей среды.
quartz flexible accelerometer
Высокоточный кварцевый акселерометр AC-3 ± 60g для измерения вибрации и наклона в аэрокосмической отрасли.
АС-3 кварцевый гибкий акселерометр Эта серия представляет собой высокоточный инерциальный навигационный акселерометр военного класса, обладающий превосходной долговременной стабильностью, повторяемостью, пусковыми характеристиками, адаптивностью к окружающей среде и высокой надежностью. Он может использоваться как для статических, так и для динамических испытаний, а также является стандартным датчиком вибрации и датчиком наклона. Выходной ток изделия имеет линейную зависимость от принимаемой силы или ускорения. Пользователи могут выбрать соответствующее сопротивление выборки путем расчета для достижения высокой точности выходного сигнала. В соответствии с потребностями пользователя, встроенный датчик температуры используется для компенсации смещения значения и масштабного коэффициента, что снижает влияние температуры окружающей среды.
quartz flexible accelerometer
Гибкий кварцевый акселерометр тактического класса
AC-4 кварцевый гибкий акселерометр Серия QA 650, T185, T160, JAE — это высокотемпературные и антивибрационные акселерометры, обладающие превосходной повторяемостью, пусковыми характеристиками, высокой термостойкостью и надежностью. Они могут использоваться для статических и динамических испытаний, а также являются стандартными датчиками вибрации. В изделиях используется уникальная высокотемпературная конструкция, технология упаковки и специальная схема. Выходной ток пропорционален измеренному ускорению, пользователь может рассчитать соответствующее сопротивление выборки для достижения высокой точности выходных данных. В соответствии с требованиями пользователя, встроен датчик температуры, используемый для компенсации частичных значений и масштабного коэффициента, снижает влияние температуры окружающей среды. Изделия серий QA 650, T185, T160, JAE могут быть заменены на месте, но мы используем конструкцию с двойным крутящим моментом, что отличает их от продукции других компаний.
quartz flexible accelerometer
Высокоточный гироскоп и акселерометр IMU
AC-5 кварцевый гибкий акселерометр Эта серия акселерометров представляет собой устройство средней точности с уникальной конструктивной компоновкой (укороченным корпусом). Изделие обладает превосходной долговременной стабильностью, повторяемостью, динамическими характеристиками, хорошей вибро- и ударопрочностью, а также высокой надежностью. Оно может использоваться для статических и динамических испытаний, а также в качестве стандартного датчика вибрации и датчика наклона. В изделии используется уникальная конструкция и специальная схема, обеспечивающая линейную зависимость выходного тока от силы или ускорения. Пользователь может выбрать подходящее сопротивление выборки путем расчета, что позволяет добиться высокой точности выходного сигнала. В соответствии с потребностями пользователя, устройство оснащено встроенным датчиком температуры, который используется для компенсации смещения и масштабного коэффициента, снижая влияние температуры окружающей среды.
quartz flexible accelerometer
Высокоточный кварцевый акселерометр AC-6 ± 30g для бурения нефтегазовых скважин
АС-6 кварцевый гибкий акселерометр Эта серия представляет собой небольшой высокотемпературный сейсмический акселерометр. Изделие обладает превосходной повторяемостью, пусковыми характеристиками, высокой термостойкостью и надежностью, что позволяет использовать его как для статических, так и для динамических испытаний, а также в качестве стандартного датчика вибрации. В изделии применены уникальные методы миниатюризации, высокотемпературная сейсмостойкость, передовые технологии упаковки и специальная схема. Выходной ток пропорционален входному ускорению, пользователь может выбрать соответствующее сопротивление выборки путем расчета, что обеспечивает высокую точность выходного сигнала. Встроенный датчик температуры, в соответствии с требованиями пользователя, позволяет компенсировать частичную погрешность и масштабный коэффициент, снижая влияние температуры окружающей среды. С момента запуска в 2012 году количество поставок достигло тысяч. За годы применения изделие стало зрелым продуктом.
quartz flexible accelerometer
Кварцевый инерциальный акселерометр AC-7 с высокоточным навигационным датчиком ± 60 г
АС-7 кварцевый гибкий акселерометр Эта серия представляет собой небольшой высокотемпературный сейсмический акселерометр. Изделие обладает превосходной повторяемостью, пусковыми характеристиками, высокой термостойкостью и надежностью, что позволяет использовать его как для статических, так и для динамических испытаний, а также в качестве стандартного датчика вибрации. Изделие отличается уникальной миниатюризацией, высокотемпературной сейсмостойкой конструкцией, передовым процессом упаковки и специальной схемой. Выходной ток пропорционален входному ускорению, пользователь может выбрать соответствующее сопротивление выборки путем расчета, что обеспечивает высокую точность выходного сигнала. Встроенный датчик температуры, в соответствии с требованиями пользователя, позволяет компенсировать частичную погрешность и масштабный коэффициент, снижая влияние температуры окружающей среды.
quartz flexible accelerometer
Высокоточный IMU-гироскоп-акселерометр
АС-8 кварцевый гибкий акселерометр Эта серия представляет собой небольшой высокотемпературный сейсмический акселерометр. Изделие обладает превосходной повторяемостью, пусковыми характеристиками, высокой термостойкостью и надежностью, что позволяет использовать его как для статических, так и для динамических испытаний, а также в качестве стандартного датчика вибрации. Изделие отличается уникальной миниатюризацией, высокотемпературной сейсмостойкой конструкцией, передовым процессом упаковки и специальной схемой. Выходной ток пропорционален входному ускорению, пользователь может выбрать соответствующее сопротивление выборки путем расчета, что обеспечивает высокую точность выходного сигнала. Встроенный датчик температуры, в соответствии с требованиями пользователя, позволяет компенсировать частичную погрешность и масштабный коэффициент, снижая влияние температуры окружающей среды.
quartz flexible accelerometer
Высокоточный кварцевый акселерометр AC-9 с точностью ± 50 г, низким уровнем шума, широкой полосой пропускания, рассчитан на работу в суровых условиях.
АС-9 кварцевый гибкий акселерометр Эта серия представляет собой небольшой высокотемпературный сейсмический акселерометр. Изделие обладает превосходной повторяемостью, пусковыми характеристиками, высокой термостойкостью и надежностью, что позволяет использовать его как для статических, так и для динамических испытаний, а также в качестве стандартного датчика вибрации. Изделие отличается уникальной миниатюризацией, высокотемпературной сейсмостойкой конструкцией, передовым процессом упаковки и специальной схемой. Выходной ток пропорционален входному ускорению, пользователь может выбрать соответствующее сопротивление выборки путем расчета, что обеспечивает высокую точность выходного сигнала. Встроенный датчик температуры, в соответствии с требованиями пользователя, позволяет компенсировать частичную погрешность и масштабный коэффициент, снижая влияние температуры окружающей среды.
Subscibe To Newsletter
Читайте дальше, следите за обновлениями, подписывайтесь, и мы будем рады услышать ваше мнение.
f y

оставить сообщение

оставить сообщение
Если вы заинтересованы в нашей продукции и хотите узнать более подробную информацию, пожалуйста, оставьте сообщение здесь, мы ответим вам, как только сможем.
представлять на рассмотрение

Дом

Продукты

WhatsApp

Связаться с нами