The G-R30 laser gyroscope primarily consists of a Model 30 laser gyro, a gyro control board, and a housing. It boasts advantages such as quick start-up, a wide dynamic range, excellent stability, stable scale factor, shock and vibration resistance, high reliability, and a long lifespan. The main components include: Model 30 laser gyro, gyro control board, and mechanical structure. Key functions and product features:
⚪ It can measure angular velocity information in real-time;
⚪ It starts quickly, utilizing high-voltage starter control to rapidly ignite the gyroscope and enhance its ability to quickly output angular motion;
⚪ High bandwidth, capable of detecting angular motion under high dynamic conditions;
⚪ The scale factor is stable, and the use of advanced manufacturing processes and temperature compensation technology greatly enhances its stability;
⚪ Wide operating temperature range, with a product operating temperature of -40~+70℃, meeting the needs of most application scenarios;
⚪ Resistant to shock and vibration, the laser gyro is a solid-state inertial sensor that does not require a supporting structure and exhibits strong resistance to shock and vibration;
⚪ Long service life, proven reliability and robustness.
Номер детали, :
G-R30Заказ (Минимальный заказ) :
11. Product specification

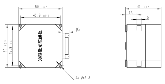
2. Product dimension

Xml политика конфиденциальности блог Карта сайта
Авторское право
@ Микро-Мэджик Инк Все права защищены.
ПОДДЕРЖИВАЕМАЯ СЕТЬ